Designed to make a
difference
ZF Race Engineering's SACHS motorsport clutches have stood for top-tier quality in international racing for decades. The ambition: continuous improvement and the drive to keep pushing the limits. From the lightest clutch used in Formula 1 to proven twin-plate and multi-plate systems in WRC, DTM, NASCAR, Le Mans and the Dakar Rally - ZF Motorsport technology is a core component of many winning cars worldwide.
SACHS Racing Clutch
RCS 3/140 S2.6
Sintered metallic 2,6 mm, rigid version
Compact, light, responsive: the triple-plate SACHS RCS 3/140 S2.6 uses the small 140 mm diameter for a very low moment of inertia and short shift windows - the engine revs more freely, drag torque drops, modulation stays precise. Three friction discs deliver high torque capacity with a low stack height - ideal for formula series, prototypes and circuit setups with tight packaging.
The 2,6 mm sintered metallic linings are tuned for maximum agility: very low rotating mass, fast speed matching and a clearly defined bite. Compared with 5,2 mm sinter pads they offer lower thermal inertia and a more immediate response; versus 3,4 mm linings they are lighter and especially strong in sprints. At the same time the friction coefficient remains stable even at high disc temperatures.
In this specification the RCS 3/140 S2.6 transmits up to 720 Nm maximum engine torque. The low release force of just 2.450 N reduces pedal effort, protects release bearing and hydraulics and supports quick, repeatable shifts. System mass only 2,85 kg - for free-revving response and minimal losses. The forged aluminium clutch cover (housing) provides high stiffness at low mass; pressure and intermediate plates made of high-strength steel ensure launch and endurance strength.

Advantages
Light
low clutch height
Low mass and inertia
Less Mass
One of the greatest strengths of the RCS sintered clutch is its low mass and the associated low mass inertia.
The SACHS RCS clutches have been designed for racing with the objective that torque is transmitted rapidly and directly from the engine to the gearbox.
Reducing the weight of the crankshaft drive to lower the moment of inertia will considerably increase vehicle acceleration performance in the lower gears.

Faster Acceleration
If the clutch itself has a moment of inertia (MoI) of 0.061 kgm2, the MoI on the drive wheel will be 180 times higher (in first gear) for a reduction in transmission of 13.4:1 (13.42). If we convert this value into vehicle mass, we arrive around 145 kg of additional weight to be accelerated in first gear.
As a result of the low moment of inertia of the SACHS RCS clutch, shifting times are considerably reduced and the vehicle accelerates much faster.





The Technology
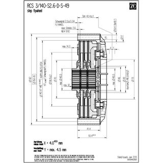
Technical data RCS 3/140:
- Maximum engine torque [Nm] : 720
- Release diameter [mm] : 49
- Release force [N] : 2.450
- Release travel [mm] : 4.0 +0.5
- Mass (weight) [kg] : 2.85
- Moment of inertia [kgm2] : 0.009151
Clutch cover (housing)
Forged aluminium clutch cover with high stiffness at low mass; the housing geometry promotes heat dissipation and stabilises the clutch pack's temperature window. A wear-resistant hard coating reduces friction and fit wear and increases service life.
Clutch lining - sintered metallic
Sintered metallic linings offer high temperature stability, very good thermal conductivity and fade resistance in dry high-load use. 2,6 mm applied sinter linings reduce rotating inertia and release heat quickly into the carrier disc - a plus for instant throttle response, short shift times and consistent performance over many cycles.
Quick comparison: 5,2 mm sinter pad - higher heat capacity/wear reserve, but more inertia; 3,4 mm - balanced compromise; 2,6 mm - most agile and mass-reduced when short stints and response are the priority.
SACHS RCS hub
The RCS 3/140 S2.6 is available with different hub splines precisely matched to the respective gearbox input shaft. Hub lengths (short, medium, long) enable optimal packaging and correct actuation. The modular RCS 140 system allows precise matching for performance, thermal robustness and service life. Standard version of the RCS 3/140 clutch (unless otherwise specified): hub length long-medium-long.
Scope of delivery
RCS 140 clutch cover (HA140), aluminium
1x RCS 140 pressure plate (PP140), steel
2x RCS 140 intermediate plate (IP140), steel
3x RCS 140 clutch disc, sinter 2.6
Hub length: long-medium-long
Quality Made in Germany
ZF Race Engineering has been among the technology leaders in motorsport for years. The combined know-how from top-level racing flows directly into the development of RCS racing clutches. State-of-the-art manufacturing methods, the highest quality standards and motorsport technologies make ZF Motorsport clutches the first choice for maximum performance and reliability - on circuits as well as in rallying, touring and endurance racing.
Applications
CIRCUIT / TOURING CARS
Super GT, ELMS,
DTM, STCC, NLS, TCR, GT World Challenge etc.
FORMULA
Formula Ford,
Formula 3, Formula 4 etc. (RCS115/140)
RALLY
GT2 European Series,
WRC, ELMS, DRM, BRC, FRC etc.
Installation instructions:
As SACHS RCS clutches have not been developed specifically for a vehicle, but are vehicle-independent, the vehicle must be adapted to the clutch (see PDF documents above). The contour of the flywheel, the position, the travel and the shape of the release mechanism as well as the maximum available installation space must be checked and adapted if necessary.
Required information:
When ordering your SACHS RCS clutch, the required profile of the transmission input shaft must be specified. The different profiles offered are listed under „hub profile“. If you have any questions about the product, please do not hesitate to contact us via E-Mail or by telephone on +49 (0)40 / 3999 211.
Partners of ZF Race Engineering







Description
PDF Documents
Manufacturer
