Designad för att göra
skillnad
SACHS motorsportkopplingar från ZF Race Engineering har i decennier stått för högsta kvalitet inom internationell racing. Ambitionen: ständig förbättring och att flytta gränserna. Från den lättaste kopplingen i Formel 1 till beprövade tvåskiviga och flerskiviga system i WRC, DTM, NASCAR, Le Mans och Dakar Rally - ZF Motorsport-teknik är en nyckel i otaliga vinnarbilar världen över.
SACHS Racingkoppling
RCS 3/140 S2.6
Sinter 2,6 mm, styvt utförande
Kompakt, lätt, responsiv: den trippelplatta SACHS RCS 3/140 S2.6 utnyttjar 140 mm-diametern för mycket lågt tröghetsmoment och korta växelfönster - motorn varvar friare, släpmomentet minskar och moduleringen förblir precis. Tre friktionsskivor ger hög momentkapacitet med låg bygghöjd - idealiskt för formelserier, prototyper och bana med trångt utrymme.
Sinterbelägg 2,6 mm är optimerade för maximal agilitet: mycket liten roterande massa, snabb varvmatchning och tydligt definierad bettpunkt. Jämfört med 5,2 mm ger de lägre termisk tröghet och snabbare respons; mot 3,4 mm är de lättare och extra starka i sprint. Friktionskoefficienten förblir stabil även vid höga skivtemperaturer.
I denna specifikation överför RCS 3/140 S2.6 upp till 720 Nm max motormoment. Den låga urkopplingskraften på 2.450 N sänker pedaltrycket, skonar urtrampningslager och hydraulik och stödjer snabba, repeterbara växlingar. Systemmassa endast 2,85 kg - för fri varvuppbyggnad och minimala förluster. Den smidda kopplingskåpan i aluminium ger hög styvhet med låg massa; tryck- och mellanplattor i höghållfast stål säkrar start- och uthållighetsstyrka.

Fördelar
lätt
låg höjd
låg massa och tröghet
Mindre massa
En av de största styrkorna hos "RCS-Sinter"-kopplingen är den låga massan och den därmed sammanhängande låga trögheten.
SACHS RCS-motorsportskopplingar är konstruerade för minsta möjliga massa och strävar efter att leda vidare motorns vridmoment till transmissionen så snabbt och direkt som möjligt.
Med åtgärder för reducering av massan hos vevaxeln, vilket minskar tröghetsmomentet, förbättras accelerationsbeteendet hos fordonet betydligt i de lägre växlarna.

Snabbare acceleration
Om exempelvis kopplingen har ett masströghetsmoment på 0,061 kgm2, så påverkar detta vid en utväxling av 13,4:1 (utväxlingsförhållande i första växeln) på drivhjulet med 180-faldiga beloppet (13,42). Räknar man om masströghetsmomentet till fordonsmassa, så ger detta i första växeln en tilläggsvikt på ca. 145 kg som måste accelereras.
Den låga masströgheten hos SACHS RCS-kopplingen ger en betydande förkortning av växlingstider samt en snabbare acceleration av fordonet.





Tekniken
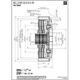
Tekniska data RCS 3/140:
- Max motormoment [Nm] : 720
- Urkopplingsdiameter [mm] : 49
- Urkopplingskraft [N] : 2.450
- Urkopplingsväg [mm] : 4.0 +0.5
- Massa (vikt) [kg] : 2.85
- Tröghetsmoment [kgm2] : 0.009151
Kopplingskåpa
Smidd kopplingskåpa i aluminium med hög styvhet och låg massa; geometrin främjar värmeavledning och stabiliserar kopplingspaketets temperaturfönster. En slitstark hardcoating minskar friktion och passningsslitage och ökar livslängden.
Kopplingsbelägg - sinter
Sinterbelägg ger hög temperaturtålighet, mycket god värmeledning och fadingresistens vid torr höglast. 2,6 mm minskar roterande tröghet och avleder snabbt värme till bärarplattan - för omedelbar gasrespons, korta växeltider och stabil prestanda över många cykler.
Snabbjämförelse: 5,2 mm - större värmekapacitet/slitagemarginal men mer tröghet; 3,4 mm - balanserad kompromiss; 2,6 mm - mest agil och lätt när sprint och respons prioriteras.
SACHS RCS nav
RCS 3/140 S2.6 finns med olika navsplines exakt anpassade till växellådans ingående axel. Navlängder (kort, medium, lång) möjliggör optimal inbyggnad och korrekt aktivering. Det modulära RCS 140-systemet ger finjustering av prestanda, termisk robusthet och livslängd. Standardutförande (om inte annat anges): navlängd lång-medium-lång.
Leveransinnehåll
RCS 140 kopplingskåpa (HA140), aluminium
1x RCS 140 tryckplatta (PP140), stål
2x RCS 140 mellanplatta (IP140), stål
3x RCS 140 kopplingsskiva, sinter 2.6
Navlängd: lång-medium-lång
Kvalitet Made in Germany
ZF Race Engineering har i många år varit bland teknikledarna inom motorsport. Den samlade kunskapen från toppklasserna går direkt in i utvecklingen av RCS racingkopplingar. Modern tillverkning, högsta kvalitetskrav och motorsportteknik gör ZF Motorsport-kopplingar till förstahandsvalet för maximal prestanda och tillförlitlighet - på bana liksom inom rally, touring och endurance.
Användningsområden
BANA / TOURING
Super GT, ELMS,
DTM, STCC, NLS, TCR, GT World Challenge etc.
FORMEL
Formula Ford,
Formula 3, Formula 4 etc. (RCS115/140)
RALLY
GT2 European Series,
WRC, ELMS, DRM, BRC, FRC etc.
Monteringsanvisningar:
Eftersom SACHS RCS-kopplingar inte har utvecklats specifikt för ett fordon, utan är fordonsoberoende, måste fordonet anpassas till kopplingen (se PDF-dokument ovan). Svänghjulets kontur, positionen, slaglängden och formen på utlösningsmekanismen samt det maximalt tillgängliga monteringsutrymmet måste kontrolleras och anpassas vid behov.
Obligatorisk information:
När du beställer din SACHS RCS-koppling måste du ange vilken profil som krävs för transmissionens ingående axel. De olika profilerna som erbjuds finns listade under "navprofil". Om du har några frågor om produkten är du välkommen att kontakta oss via E-Post eller per telefon +49 (0)40 / 3999 211.
Partners till ZF Race Engineering







Beskrivning
PDF-Dokumente
Tillverkare
