Opis
Producent
Produkt
Zaprojektowany, by robić różnicę
difference
Sprzęgła wyczynowe SACHS od ZF Race Engineering od dekad są synonimem najwyższej jakości w międzynarodowym motorsporcie. Cel: nieustanne udoskonalanie i przesuwanie granic możliwości. Od najlżejszego sprzęgła w Formule 1 po sprawdzone układy dwutarczowe i wielotarczowe w WRC, DTM, NASCAR, Le Mans czy Rajdzie Dakar - technologia ZF Motorsport stanowi kluczowy element wielu zwycięskich samochodów na świecie.
SACHS Sprzęgło wyczynowe
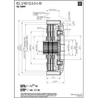
RCS 3/140 S2.6
Spiek metaliczny 2,6 mm, wersja sztywna
Kompaktowe, lekkie, reaktywne: trójtarczowe SACHS RCS 3/140 S2.6 wykorzystuje małą średnicę 140 mm dla bardzo niskiego momentu bezwładności i krótkich okien zmiany biegów - silnik swobodniej wkręca się na obroty, spada moment oporów, a modulacja pozostaje precyzyjna. Trzy tarcze cierne łączą wysoką pojemność przenoszenia z niską wysokością pakietu - idealne dla serii jednoosobowych, prototypów i układów torowych z ograniczoną przestrzenią zabudowy.
Okładziny spiekowe 2,6 mm nastawione są na maksymalną zwinność: bardzo niska masa wirująca, szybkie zgranie prędkości i wyraźnie zdefiniowany punkt chwytu. W porównaniu z padami 5,2 mm mają mniejszą bezwładność cieplną i szybszą reakcję; wobec 3,4 mm są jeszcze lżejsze i szczególnie mocne w sprincie. Współczynnik tarcia pozostaje stabilny nawet przy wysokiej temperaturze tarczy.
W tej specyfikacji RCS 3/140 S2.6 przenosi do 720 Nm maksymalnego momentu silnika. Niska siła wysprzęglania 2.450 N obniża siłę na pedale, chroni łożysko oporowe i hydraulikę oraz wspiera szybkie, powtarzalne zmiany biegów. Masa systemu jedynie 2,85 kg - dla swobodnego wkręcania i minimalnych strat. Kuta obudowa sprzęgła z aluminium zapewnia wysoką sztywność przy niskiej masie; docisk i płyty pośrednie z wysokojakościowej stali gwarantują odporność na starty i długotrwałą pracę.

Zalety
lekka
Niższa wysokość całkowita
Niska masa i bezwładność
Mniejsza masa
Jedną z największych zalet sprzęgła RCS-Sinter jest jego niska masa i związana z nią niska bezwładność.
Sprzęgła motocyklowe SACHS RCS zostały zaprojektowane z myślą o jak najmniejszej masie i mają na celu jak najszybsze i bezpośrednie przeniesienie momentu obrotowego silnika na skrzynię biegów.
Poprzez zastosowanie uproszczeń w mechanizmie tłokowo-korbowym, które redukują moment bezwładności masy, wyraźnie rośnie przyspieszenie pojazdu na niższych przełożeniach.

Szybsze przyspieszenie
Na przykład jeśli sprzęgło ma moment bezwładności masy (mbm) 0,061 kgm2 , to przy przełożeniu 13,4:1 (stosunek przełożenia na 1. biegu) działa na koło napędowe z 180-krotną wartością (13,42). Po przeliczeniu mbm na masę pojazdu masa na 1. biegu jest o ok. 145 kg większa, co wpływa na przyspieszenie.
Dzięki małej bezwładności masowej sprzęgła SACHS RCS możliwe jest znaczne skrócenie czasów przestawiania i szybsze przyspieszenie pojazdu.





Technika
Dane techniczne RCS 3/140:
- Maksymalny moment silnika [Nm] : 720
- Średnica wysprzęglania [mm] : 49
- Siła wysprzęglania [N] : 2.450
- Skok wysprzęglania [mm] : 4.0 +0.5
- Masa (waga) [kg] : 2.85
- Moment bezwładności [kgm2] : 0.009151
Obudowa sprzęgła
Kuta aluminiowa obudowa o wysokiej sztywności przy niskiej masie; geometria wspiera odprowadzanie ciepła i stabilizuje okno temperaturowe pakietu. Twarda powłoka o wysokiej odporności na zużycie ogranicza tarcie i zużycie pasowań oraz wydłuża żywotność.
Okładzina sprzęgła - spiek metaliczny
Okładziny spiekowe zapewniają wysoką odporność termiczną, bardzo dobrą przewodność cieplną i odporność na fading w suchych aplikacjach wysokiego obciążenia. Grubość 2,6 mm obniża bezwładność wirującą i szybko przekazuje ciepło do tarczy nośnej - to plus dla spontanicznej reakcji, krótkich czasów zmiany biegów i stałej wydajności przez wiele cykli.
Szybkie porównanie: 5,2 mm - większa pojemność cieplna/rezerwa zużycia, ale większa bezwładność; 3,4 mm - zbalansowany kompromis; 2,6 mm - najbardziej zwinne i lżejsze, gdy priorytetem są sprinty i czas reakcji.
Piasta SACHS RCS
RCS 3/140 S2.6 dostępne jest z różnymi profilami piasty, precyzyjnie dopasowanymi do wałka wejściowego skrzyni. Długości piasty (krótka, średnia, długa) umożliwiają optymalną zabudowę i prawidłową pracę. Modułowy system RCS 140 pozwala na finezyjne zestrojenie pod kątem osiągów, odporności termicznej i trwałości. Wersja standardowa (o ile nie określono inaczej): długość piasty długa-średnia-długa.
Zestaw zawiera
Obudowa RCS 140 (HA140), aluminium
1x docisk RCS 140 (PP140), stal
2x płyta pośrednia RCS 140 (IP140), stal
3x tarcza sprzęgła RCS 140, spiek 2.6
Długość piasty: długa-średnia-długa
Jakość Made in Germany
ZF Race Engineering od lat należy do liderów technologicznych w motorsporcie. Skoncentrowana wiedza z najwyższych klas wyścigowych trafia bezpośrednio do rozwoju sprzęgieł wyczynowych RCS. Najnowocześniejsze metody produkcji, najwyższe standardy jakości i technologie motorsportowe sprawiają, że sprzęgła ZF Motorsport są pierwszym wyborem dla maksymalnych osiągów i niezawodności - na torach, jak również w rajdach, wyścigach turystycznych i endurance.
Zastosowania
TOR / SAMOCHODY TURYSTYCZNE
Super GT, ELMS,
DTM, STCC, NLS, TCR, GT World Challenge etc.
FORMUŁA
Formula Ford,
Formula 3, Formula 4 etc. (RCS115/140)
RAJDY
GT2 European Series,
WRC, ELMS, DRM, BRC, FRC etc.
Instrukcje montażu:
Ponieważ sprzęgła SACHS RCS nie zostały opracowane specjalnie dla danego pojazdu, ale są niezależne od pojazdu, pojazd musi być dostosowany do sprzęgła (patrz dokumenty PDF powyżej). Kontur koła zamachowego, położenie, skok i kształt mechanizmu zwalniającego, a także maksymalna dostępna przestrzeń montażowa muszą zostać sprawdzone i w razie potrzeby dostosowane.
Wymagane informacje:
Przy zamawianiu sprzęgła SACHS RCS należy określić wymagany profil wału wejściowego skrzyni biegów. Różne oferowane profile są wymienione w sekcji "Profil piasty". W przypadku jakichkolwiek pytań dotyczących produktu, prosimy o kontakt E-Mail lub telefoniczny pod numerem +49 (0)40 / 3999 211.
Partnerzy ZF Race Engineering

Polish



