Progettato per fare la
differenza
Da decenni le frizioni da competizione SACHS di ZF Race Engineering rappresentano la massima qualità nel motorsport internazionale. L'obiettivo: miglioramento continuo e volontà di spingere sempre più in là i limiti. Dalla frizione più leggera usata in Formula 1 ai sistemi bi-disco e multidisco collaudati in WRC, DTM, NASCAR, Le Mans e Rally Dakar - la tecnologia ZF Motorsport è parte integrante di molte vetture vincenti nel mondo.
SACHS Frizione da competizione
RCS 3/140 S2.6
Sinterizzata 2,6 mm, versione rigida
Compatta, leggera, reattiva: la frizione a tre dischi SACHS RCS 3/140 S2.6 sfrutta il diametro ridotto da 140 mm per un momento d’inerzia molto basso e finestre di cambiata brevi - il motore sale più libero di giri, il momento di trascinamento cala, la modulazione resta precisa. Tre dischi d’attrito offrono alta capacità di trasmissione con pacco sottile - ideale per serie formula, prototipi e setup da pista con spazi ridotti.
I rivestimenti sinterizzati da 2,6 mm sono tarati per la massima agilità: massa rotante molto bassa, rapido allineamento dei giri e punto di attacco ben definito. Rispetto ai pad da 5,2 mm hanno minore inerzia termica e risposta più pronta; rispetto ai 3,4 mm sono ancora più leggeri e particolarmente efficaci negli sprint. Il coefficiente d’attrito resta stabile anche ad alte temperature del disco.
In questa configurazione la RCS 3/140 S2.6 trasmette fino a 720 Nm di coppia motore massima. La bassa forza di disinnesto di soli 2.450 N riduce lo sforzo al pedale, tutela reggispinta e idraulica e favorisce cambiate rapide e ripetibili. Massa sistema solo 2,85 kg - per salita di giri libera e perdite minime. La campana frizione in alluminio forgiato offre alta rigidità con massa ridotta; piatto spingidisco e piastre intermedie in acciaio ad alta resistenza garantiscono resistenza a partenze ed endurance.

Vantaggi
leggero
altezza ridotta
bassa massa e inerzia
Massa ridotta
Uno dei maggiori punti di forza della frizione "RCS-Sinter" è la sua massa ridotta e la relativa inerzia.
Le frizioni sportive RCS SACHS sono progettate per una massa molto bassa e perseguono l'obiettivo di trasmettere alla trazione la coppia del motore il più velocemente e direttamente possibile.
Facilitando le misure per l'albero motore che riducono il momento d'inerzia, aumenta in modo significativo l'accelerazione della vettura con le marce basse.

Accelerazione più veloce
Se, per esempio, la frizione ha un momento d'inerzia (MOI) di 0,061 kgm2, questo produce un rapporto di trasmissione di 13,4: 1 (rapporto nella 1 marcia) sulla ruota motrice con l'aumento di 180 volte (13,42). Calcolando il MoI come massa del veicolo, questo si traduce nella 1 marcia in un peso supplementare di circa 145 kg da accelerare.
A causa della bassa inerzia della frizione RCS SACHS si produce una riduzione sostanziale dei tempi di cambio e una maggiore accelerazione del veicolo.





La Tecnica
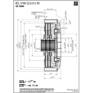
Dati tecnici RCS 3/140:
- Coppia motore massima [Nm] : 720
- Diametro di disinnesto [mm] : 49
- Forza di disinnesto [N] : 2.450
- Corsa di disinnesto [mm] : 4.0 +0.5
- Massa (peso) [kg] : 2.85
- Momento d’inerzia [kgm2] : 0.009151
Campana frizione
Campana frizione in alluminio forgiato con elevata rigidità e massa ridotta; la geometria favorisce la dissipazione termica e stabilizza la finestra di temperatura del pacco frizione. Un rivestimento duro e resistente all’usura riduce attrito e usura d’accoppiamento e aumenta la durata.
Rivestimento frizione - sinterizzato
I rivestimenti sinterizzati garantiscono alta stabilità termica, ottima conducibilità del calore e resistenza al fading nell’uso a secco ad alto carico. I 2,6 mm riducono l’inerzia rotante e cedono rapidamente calore al disco portante - vantaggio per risposta immediata, tempi di cambiata brevi e performance costante su molti cicli.
Confronto rapido: 5,2 mm - più capacità termica/riserve d’usura ma più inerzia; 3,4 mm - compromesso equilibrato; 2,6 mm - il più agile e leggero quando contano sprint e reattività.
Mozzo SACHS RCS
La RCS 3/140 S2.6 è disponibile con diversi profili di mozzo, adattati con precisione all'albero primario del cambio. Lunghezze mozzo (corta, media, lunga) per integrazione ottimale e corretta attuazione. Il sistema modulare RCS 140 permette l'accordo su prestazioni, robustezza termica e durata. Versione standard (se non diversamente specificato): lunghezza mozzo lunga-media-lunga.
Fornitura
Campana RCS 140 (HA140), alluminio
1x piatto spingidisco RCS 140 (PP140), acciaio
2x piastra intermedia RCS 140 (IP140), acciaio
3x disco frizione RCS 140, sinter 2.6
Lunghezza mozzo: lunga-media-lunga
Qualità Made in Germany
ZF Race Engineering è da anni tra i leader tecnologici del motorsport. Il know-how riunito dalle massime categorie confluisce direttamente nello sviluppo delle frizioni da competizione RCS. Metodi produttivi all'avanguardia, i più elevati standard di qualità e tecnologie del motorsport rendono le frizioni ZF Motorsport la prima scelta per massime prestazioni e affidabilità - in pista come nel rally, nelle competizioni turismo e nell'endurance.
Applicazioni
PISTA / TURISMO
Super GT, ELMS,
DTM, STCC, NLS, TCR, GT World Challenge etc.
FORMULA
Formula Ford,
Formula 3, Formula 4 etc. (RCS115/140)
RALLY
GT2 European Series,
WRC, ELMS, DRM, BRC, FRC etc.
Istruzioni per l'installazione:
Poiché le frizioni SACHS RCS non sono state sviluppate specificamente per un veicolo, ma sono indipendenti dal veicolo, il veicolo deve essere adattato alla frizione (vedere i documenti PDF sopra). Il profilo del volano, la posizione, la corsa e la forma del meccanismo di rilascio, nonché lo spazio massimo disponibile per l'installazione devono essere controllati e adattati se necessario.
Informazioni necessarie:
Quando si ordina la frizione SACHS RCS, è necessario specificare il profilo richiesto dell'albero di trasmissione. I diversi profili offerti sono elencati alla voce "Profilo del mozzo". Per qualsiasi domanda sul prodotto, non esitate a contattarci via E-Mail all'indirizzo o telefonicamente al numero +49 (0)40 / 3999 211.
Partner di ZF Race Engineering







Descrizione
PDF Documenti
Produttore
