Designed to make a
difference
SACHS Motorsport-Kupplungen von ZF Race Engineering stehen seit Jahrzehnten für Spitzenqualität im internationalen Motorsport. Der Anspruch: kontinuierliche Verbesserungen und die Bereitschaft, die Grenzen des Machbaren immer weiter zu verschieben. Von der leichtesten Kupplung in der Formel 1 bis zu bewährten Systemen in WRC, DTM, NASCAR, Le Mans oder der Rallye Dakar – ZF Motorsport-Technologie ist fester Bestandteil zahlreicher Siegerfahrzeuge weltweit.
SACHS Motorsport-Kupplung
RCS 3/140 S2.6
Sintermetall 2,6 mm, starre Ausführung
Kompakt, leicht, reaktionsschnell: Die dreischeibige SACHS RCS 3/140 S2.6 nutzt den kleinen 140-mm-Durchmesser für ein sehr niedriges Massenträgheitsmoment und kurze Schaltfenster - der Motor dreht freier hoch, Schleppmoment sinkt, die Modulation bleibt präzise. Drei Reibscheiben bündeln hohes Übertragungsvermögen bei flacher Bauhöhe - ideal für Formelserien, Prototypen und Rundstrecken-Setups mit engem Bauraum.
Die 2,6-mm aufgesinterten Sintermetall-Beläge sind auf maximale Agilität ausgelegt: sehr geringe rotierende Masse, schneller Drehzahlabgleich und klar definierter Eingriff. Gegenüber 5,2-mm-Sinterpads bieten sie weniger thermische Trägheit und ein spontanes Ansprechen; gegenüber 3,4-mm-Belägen sind sie noch einmal leichter und damit besonders sprintstark. Gleichzeitig bleibt die Reibzahl auch bei hohen Scheibentemperaturen stabil.
In dieser Auslegung überträgt die RCS 3/140 S2.6 bis zu 720 Nm maximales Motordrehmoment. Die niedrige Ausrückkraft von nur 2.450 N senkt die Pedalkraft, schont Ausrücklager und Hydraulik und unterstützt schnelle, reproduzierbare Schaltvorgänge. Systemgewicht lediglich 2,85 kg - für freies Hochdrehen und minimale Verluste. Das geschmiedete Aluminiumgehäuse liefert hohe Steifigkeit bei geringer Masse; Anpress-/Zwischenplatten aus hochfestem Stahl sichern Start- und Dauerfestigkeit.

Vorteile
leicht
geringe Bauhöhe
geringe Masse und Massenträgheit
Geringere Masse
Eine der größten Stärken der RCS-Sinter-Kupplung ist ihre geringe Masse und die damit verbundene niedrige Massenträgheit.
Die SACHS RCS Motorsport-Kupplungen sind auf eine möglichst niedrige Masse ausgelegt und verfolgen das Ziel, das Drehmoment des Motors möglichst schnell und direkt an das Getriebe weiterzuleiten.
Durch Erleichterungsmaßnahmen im Kurbeltrieb, die das Massenträgheits-moment reduzieren, steigt das Beschleunigungsverhalten des Fahrzeugs in den unteren Gängen deutlich an.

Schnellere Beschleunigung
Hat z. B. die Kupplung ein Massenträgheitsmoment (Mtm) von 0,061 kgm2, wirkt dieses bei einer Getriebeübersetzungü von 13,4:1 (Übersetzungsverhältnis 1. Gang) am Antriebsrad mit dem 180-fachen Betrag (13,42). Rechnet man das Mtm in Fahrzeugmasse um, ergibt dies im 1. Gang ein Zusatzgewicht von ca. 145 kg, die es zu beschleunigen gilt.
Aufgrund der geringen Massenträgheit der SACHS RCS-Kupplung wird eine wesentliche Verkürzung der Schaltzeiten sowie eine schnellere Beschleunigung Ihres Fahrzeugs ermöglicht.





Die Technik
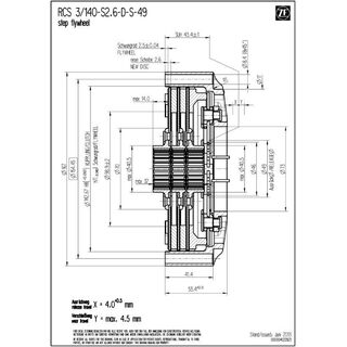
Technische Daten RCS 3/140:
- Maximales Motordrehmoment [Nm] : 720
- Ausrückdurchmesser [mm] : 49
- Ausrückkraft [N] : 2.450
- Ausrückweg [mm] : 4.0 +0.5
- Masse (Gewicht) [kg] : 2.85
- Massenträgheit [kgm2] : 0.009151
Kupplungsgehäuse
Geschmiedetes Aluminiumgehäuse mit hoher Steifigkeit bei geringer Masse; die Gehäusegeometrie fördert die Wärmeabfuhr und stabilisiert das Temperaturfenster des Kupplungspakets. Eine verschleißfeste Hartbeschichtung reduziert Reib- und Passungsverschleiß und erhöht die Laufleistung.
Kupplungsbelag – Sintermetall
Sintermetall steht für hohe Temperaturfestigkeit, gute Wärmeleitfähigkeit und Fade-Resistenz im trockenen Hochlast-Einsatz. 2,6-mm Aufsinter-Beläge senken das rotierende Massenträgheitsmoment und geben Wärme schnell in die Trägerscheibe ab - ein Plus für spontane Gasannahme, kurze Schaltzeiten und konstante Performance über viele Zyklen.
Kurzvergleich: 5,2-mm Sinterpad - größere Wärmekapazität/Verschleißreserve, dafür höhere Trägheit; 3,4-mm – ausgewogener Kompromiss; 2,6-mm - am agilsten und massereduziert, wenn kurze Stints und Reaktionsgeschwindigkeit priorisiert werden.
SACHS RCS Nabe
Die RCS 3/140 S2.6 ist mit unterschiedlichen Nabenprofilen erhältlich - präzise auf die jeweilige Getriebeeingangswelle abgestimmt. Nabenlängen (kurz, mittel, lang) ermöglichen die optimale Anpassung an den Bauraum und eine korrekte Betätigung. Das modulare RCS-140-System erlaubt die passgenaue Abstimmung auf Performance, thermische Belastbarkeit und Lebensdauer. Standardausführung der RCS 3/140 Kupplung (sofern nicht anders spezifiziert): Nabenlänge lang-mittel-lang.
Lieferumfang
RCS 140 Kupplungsgehäuse (HA140), Aluminium
1x RCS 140 Anpressplatte (PP140), Stahl
2x RCS 140 Zwischenplatte (IP140), Stahl
3x RCS 140 Kupplungsscheibe, Sinter 2.6
Nabenlänge: lang-mittel-lang
Qualität Made in Germany
ZF Race Engineering zählt seit Jahren zu den Technologieführern im Motorsport. Das gebündelte Know-how aus dem Spitzen-Motorsport fließt direkt in die Entwicklung der RCS Motorsport-Kupplungen mit ein. Modernste Fertigungsmethoden, höchste Qualitätsstandards und Motorsport-Technologien machen die Kupplungen von ZF Motorsport zur ersten Wahl für maximale Performance und Zuverlässigkeit - auf der Rundstrecke ebenso wie im Rallye-, Touren- und Langstreckeneinsatz.
Einsatzgebiete
RUNDSTRECKE / TOURENWAGEN
Super GT, ELMS,
DTM, STCC, NLS, TCR, GT World Challenge etc.
FORMEL
Formula Ford,
Formula 3, Formula 4 etc. (RCS115/140)
RALLYE
GT2 European Series,
WRC, ELMS, DRM, BRC, FRC etc.
Einbauhinweise:
Da SACHS RCS Motorsport-Kupplungen nicht speziell für ein Fahrzeug, sondern fahrzeugunabhängig entwickelt worden sind, muss das Fahrzeug an die modulare Kupplung angepasst werden. Die Kontur des Schwungrades, die Position, der Weg und die Form des Ausrückers sowie der maximal vorhandene Einbauraum müssen überprüft und gegebenenfalls angepasst werden.
Benötigte Angaben:
Bei der Bestellung Ihrer SACHS RCS-Kupplung muß das gewünschte Profil der Getriebeeingangswelle angegeben werden. Die unterschiedlichen angebotenen Profile sind unter „Nabenprofil“ aufgeführt.
Für Fragen zum Produkt stehen wir Ihnen gerne via E-Mail oder telefonisch unter +49 (0)40 / 3999 2118 zur Verfügung.
Partners of ZF Race Engineering







Beschreibung
PDF-Dokumente
Hersteller
