Designed to make a
difference
ZF Race Engineering's SACHS motorsport clutches have stood for top-tier quality in international racing for decades. The ambition: continuous improvement and the drive to keep pushing the limits. From the lightest clutch used in Formula 1 to proven twin-plate and multi-plate systems in WRC, DTM, NASCAR, Le Mans and the Dakar Rally - ZF Motorsport technology is a core component of many winning cars worldwide.
SACHS racing clutch
for Ferrari 458 GT3
sintered metallic 3.4 mm, rigid design
Vehicle-specific for the Ferrari 458 GT3 (2011–2014): the triple-disc SACHS RCS 3/140 S3.4 racing clutch uses the compact 140 mm diameter for low moment of inertia and short shift windows - ideal for the 458 GT3 drivetrain packaging and tight, technical circuits.
The 3.4 mm sintered metallic lining is the real-world sweet spot: more heat capacity and wear reserve than 2.6 mm, more agile response and faster thermal reset than 5.2 mm. Result: a stable bite point over longer stints, precise modulation during launch and upshifts - perfectly matched to the high-revving character of the 458 GT3's 4.5 L V8.
In this specification the RCS 3/140 S3.4 transmits up to 1,430 Nm maximum engine torque. The forged aluminum clutch cover (housing) delivers high stiffness at low weight; pressure and intermediate plates in high-strength steel ensure launch durability and endurance strength in demanding GT3 use.

Advantages
Light
low clutch height
Low mass and inertia
Less Mass
One of the greatest strengths of the RCS sintered clutch is its low mass and the associated low mass inertia.
The SACHS RCS clutches have been designed for racing with the objective that torque is transmitted rapidly and directly from the engine to the gearbox.
Reducing the weight of the crankshaft drive to lower the moment of inertia will considerably increase vehicle acceleration performance in the lower gears.

Faster Acceleration
If the clutch itself has a moment of inertia (MoI) of 0.061 kgm2, the MoI on the drive wheel will be 180 times higher (in first gear) for a reduction in transmission of 13.4:1 (13.42). If we convert this value into vehicle mass, we arrive around 145 kg of additional weight to be accelerated in first gear.
As a result of the low moment of inertia of the SACHS RCS clutch, shifting times are considerably reduced and the vehicle accelerates much faster.





Technology
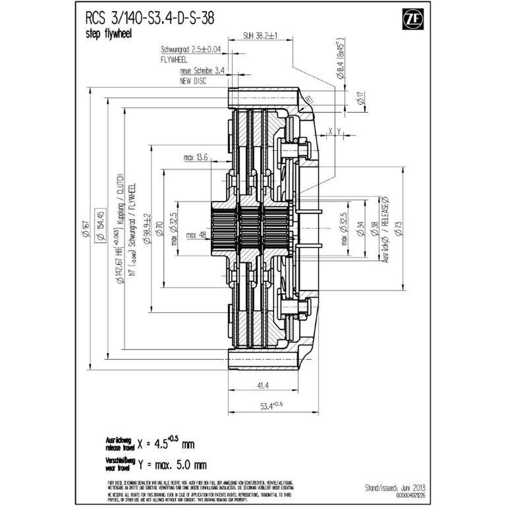
Technical data RCS 3/140:
- Vehicle:
Ferrari 458 GT3 4.5 L V8 (2011–2014) - maximum engine torque [Nm] : 1,430
- release diameter [mm] : 38
- release force [N] : 4,200
- release travel [mm] : 4.5 +0.5
- mass (weight) [kg] : 3.01
- moment of inertia [kgm2] : 0.009230
Clutch cover (housing)
The RCS 140 clutch cover in high-strength forged aluminum maximizes stiffness at minimal weight. The housing geometry promotes heat dissipation and stabilizes the clutch pack temperature window; a wear-resistant hard coating reduces sliding and fit wear - tuned for the thermal loads in 458 GT3 endurance running.
Friction lining
Sintered metallic material offers high temperature resistance, very good thermal conductivity, and strong fade resistance for dry high-load operation. The 3.4 mm thickness provides the proven compromise of thermal buffer, service life, and low rotating mass - ideal for frequent load changes, late braking points, and short pit cycles in GT3 competition.
Hub spline profile
This RCS 3/140 S3.4 is supplied with the correct hub spline profile for the Ferrari 458 GT3 - precisely matched to the car's gearbox input shaft. This ensures maximum fit accuracy, reliable torque transfer, and durability in racing service.
Scope of supply
RCS 140 clutch cover (HA140), aluminum
1x RCS 140 pressure plate (PP140), steel
2x RCS 140 intermediate plate (IP140), steel
3x RCS 140 clutch disc, sintered metallic 3.4
hub length: long-medium-long
Quality Made in Germany
ZF Race Engineering has been among the technology leaders in motorsport for years. The combined know-how from top-level racing flows directly into the development of RCS racing clutches. State-of-the-art manufacturing methods, the highest quality standards and motorsport technologies make ZF Motorsport clutches the first choice for maximum performance and reliability - on circuits as well as in rallying, touring and endurance racing.
Applications
Europe
Blancpain Endurance/Sprint (GTWC Europe),
24h Spa, ELMS (GTC/GT3), FIA GT3, ADAC GT Masters, British GT and more.
North America
Pirelli World Challenge (GTWC America),
IMSA/Grand-Am ecosystem, historic GT3 and club racing events.
Asia/Pacific
GT Asia Series, Asian Le Mans (GTC),
Australian GT, regional 12h/24h enduros (e.g. Sepang, Dubai, Bathurst).
Partners of ZF Race Engineering







Description
Manufacturer