Concebida para fazer a
diferença
As embraiagens de competição SACHS da ZF Race Engineering são há décadas referência de qualidade no desporto automóvel internacional. A ambição: melhoria contínua e vontade de ultrapassar limites. Desde a embraiagem mais leve usada na Fórmula 1 aos sistemas bi-disco e multidisco comprovados no WRC, DTM, NASCAR, Le Mans e no Rali Dakar - a tecnologia ZF Motorsport faz parte de muitos carros vencedores em todo o mundo.
Embraiagem de competição SACHS
para Ferrari 458 GT3
metal sinterizado 3,4 mm, versão rígida
Específica para o Ferrari 458 GT3 (2011–2014): a embraiagem racing tri-disco SACHS RCS 3/140 S3.4 usa o diâmetro compacto de 140 mm para um baixo momento de inércia e janelas de mudança curtas - ideal para o packaging da transmissão do 458 GT3 e traçados técnicos.
O forro sinterizado de 3,4 mm é o compromisso prático: mais capacidade térmica e reserva de desgaste do que 2,6 mm, resposta mais ágil e reposição térmica mais rápida do que 5,2 mm. Resultado: ponto de mordida estável em stints longos, modulação precisa nas saídas e nas passagens de caixa - perfeito para o carácter alto regime do V8 4,5 L do 458 GT3.
Nesta configuração a RCS 3/140 S3.4 transmite até 1 430 Nm de binário máximo do motor. A carcaça da embraiagem em alumínio forjado combina grande rigidez com baixo peso; o prato de pressão e a placa intermédia em aço de alta resistência garantem robustez em arranques e endurance no exigente GT3.

Vantagens
leve
baixa altura
baixa massa e inércia
Redução da massa
Um dos maiores pontos fortes da embraiagem "RCS-Sinter" é a sua baixa massa e a baixa inércia associada.
As embraiagens SACHS RCS Motorsport são projetados em massa relativamente baixa e perseguem o objetivo, de transmitir o binário com a máxima rapidez, diretamente para a transmissão.
Através de medidas facilitadoras no acionamento do sistema de manivela, que reduzem o momento de inércia, o comportamento de aceleração do veículo aumenta, significativamente, nas velocidades mais baixas.

Aceleração mais rápida
Se a embraiagem tiver, por exemplo, um momento de inércia (Mtm) de 0,061 kgm2, este afeta uma proporção de transmissão de transmissão de 13,4: 1 (relação de transmissão 1. mudança) na roda de acionamento com aumento em 180 vezes (13,42). Converte-se o Mtm em massa de veículo, resulta na 1ª mudança um peso adicional de cerca de 145 kg, com pretende a aceleração.
Devido à baixa inércia da embraiagem Sachs RCS ocorre um encurtamento substancial dos tempos de resposta e permitir a aceleração mais rápida do seu veículo.





Tecnologia
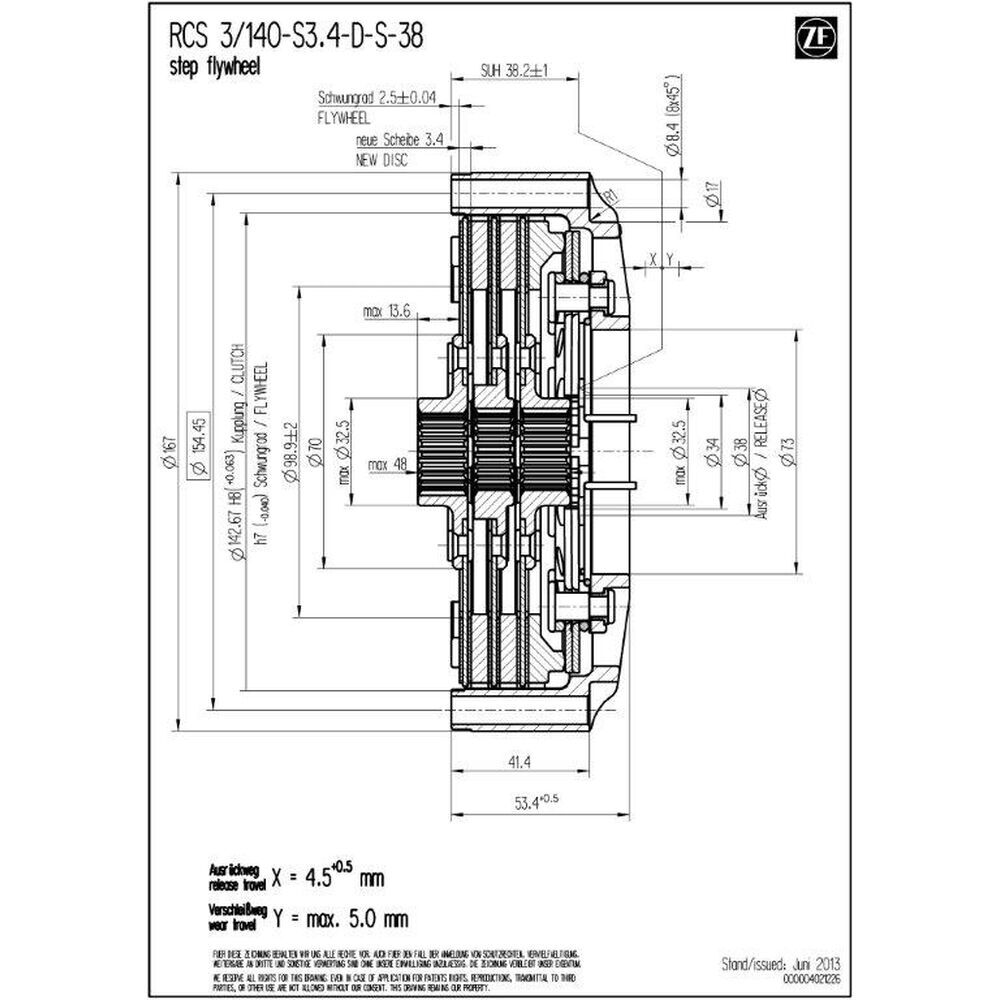
Dados técnicos RCS 3/140:
- Veículo:
Ferrari 458 GT3 4,5 L V8 (2011–2014) - binário máximo do motor [Nm] : 1 430
- diâmetro de desengate [mm] : 38
- força de desengate [N] : 4 200
- curso de desengate [mm] : 4.5 +0.5
- massa [kg] : 3.01
- momento de inércia [kgm2] : 0.009230
Carcaça da embraiagem
A carcaça RCS 140 em alumínio forjado de alta resistência maximiza a rigidez com mínimo peso. A geometria favorece a dissipação de calor e estabiliza a janela térmica do conjunto; o revestimento duro anti-desgaste reduz o desgaste por deslizamento e ajuste - adequado às cargas térmicas na endurance do 458 GT3.
Forro de fricção
O metal sinterizado oferece elevada resistência à temperatura, muito boa condutividade térmica e elevada resistência ao fading em funcionamento a seco e alta carga. A espessura de 3,4 mm fornece o compromisso comprovado entre tampão térmico, durabilidade e baixa massa rotativa - ideal para mudanças frequentes de carga, travagens tardias e pit stops curtos em GT3.
Perfil estriado do cubo
Esta RCS 3/140 S3.4 é fornecida com o perfil estriado correto do cubo para o Ferrari 458 GT3 - ajustado com precisão ao veio primário da caixa. Garante máxima precisão de montagem, transferência de binário fiável e elevada durabilidade em corrida.
Conteúdo da entrega
Carcaça RCS 140 (HA140), alumínio
1x prato de pressão RCS 140 (PP140), aço
2x placa intermédia RCS 140 (IP140), aço
3x disco de embraiagem RCS 140, sinterizado 3.4
comprimento do cubo: longo-médio-longo
Qualidade Made in Germany
A ZF Race Engineering está há anos entre os líderes tecnológicos no desporto motorizado. O know-how combinado das categorias de topo flui diretamente para o desenvolvimento das embraiagens de competição RCS. Métodos de fabricação de última geração, os mais elevados padrões de qualidade e tecnologias de motorsport tornam as embraiagens ZF Motorsport a primeira escolha para desempenho e fiabilidade máximos - em pista, bem como em ralis, turismos e endurance.
Aplicações
Europa
Blancpain Endurance/Sprint (GTWC Europe),
24h Spa, ELMS (GTC/GT3), FIA GT3, ADAC GT Masters, British GT e mais.
América do Norte
Pirelli World Challenge (GTWC America),
ecossistema IMSA/Grand-Am, eventos GT3 históricos e de clubes.
Ásia/Pacífico
GT Asia Series, Asian Le Mans (GTC),
Australian GT, endurances regionais 12h/24h (ex. Sepang, Dubai, Bathurst).
Parceiros da ZF Race Engineering







Descrição
Fabricante