Designad för att göra
skillnad
SACHS motorsportkopplingar från ZF Race Engineering har i decennier stått för högsta kvalitet inom internationell racing. Ambitionen: ständig förbättring och att flytta gränserna. Från den lättaste kopplingen i Formel 1 till beprövade tvåskiviga och flerskiviga system i WRC, DTM, NASCAR, Le Mans och Dakar Rally - ZF Motorsport-teknik är en nyckel i otaliga vinnarbilar världen över.
SACHS racingkoppling
för Ferrari 458 GT3
sinter 3,4 mm, styv utförande
Fordonsspecifik för Ferrari 458 GT3 (2011–2014): den treskiviga SACHS RCS 3/140 S3.4 racingkopplingen utnyttjar den kompakta 140 mm-diametern för lågt tröghetsmoment och korta växelfönster - idealiskt för 458 GT3-drivlinans packaging och trånga, tekniska banor.
Sinterbeläggning 3,4 mm är den praktiska mittvägen: högre värmekapacitet och slitagemarginal än 2,6 mm, mer alert respons och snabbare värmeåterhämtning än 5,2 mm. Resultat: stabil tryckpunkt under långa stinter, exakt modulering vid start och uppväxling - perfekt för den högvarviga karaktären hos 4,5 L V8 i 458 GT3.
I denna specifikation överför RCS 3/140 S3.4 upp till 1 430 Nm max motormoment. Kopplingskåpa i smitt aluminium ger hög styvhet vid låg vikt; tryck- och mellanplattor i höghållfast stål säkrar start- och uthållighetsstyrka i krävande GT3-bruk.

Fördelar
lätt
låg höjd
låg massa och tröghet
Mindre massa
En av de största styrkorna hos "RCS-Sinter"-kopplingen är den låga massan och den därmed sammanhängande låga trögheten.
SACHS RCS-motorsportskopplingar är konstruerade för minsta möjliga massa och strävar efter att leda vidare motorns vridmoment till transmissionen så snabbt och direkt som möjligt.
Med åtgärder för reducering av massan hos vevaxeln, vilket minskar tröghetsmomentet, förbättras accelerationsbeteendet hos fordonet betydligt i de lägre växlarna.

Snabbare acceleration
Om exempelvis kopplingen har ett masströghetsmoment på 0,061 kgm2, så påverkar detta vid en utväxling av 13,4:1 (utväxlingsförhållande i första växeln) på drivhjulet med 180-faldiga beloppet (13,42). Räknar man om masströghetsmomentet till fordonsmassa, så ger detta i första växeln en tilläggsvikt på ca. 145 kg som måste accelereras.
Den låga masströgheten hos SACHS RCS-kopplingen ger en betydande förkortning av växlingstider samt en snabbare acceleration av fordonet.





Teknik
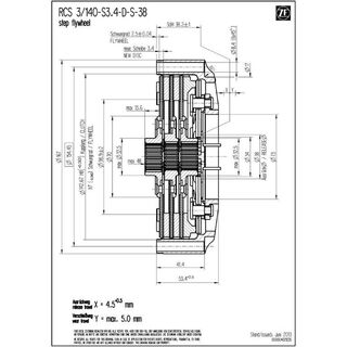
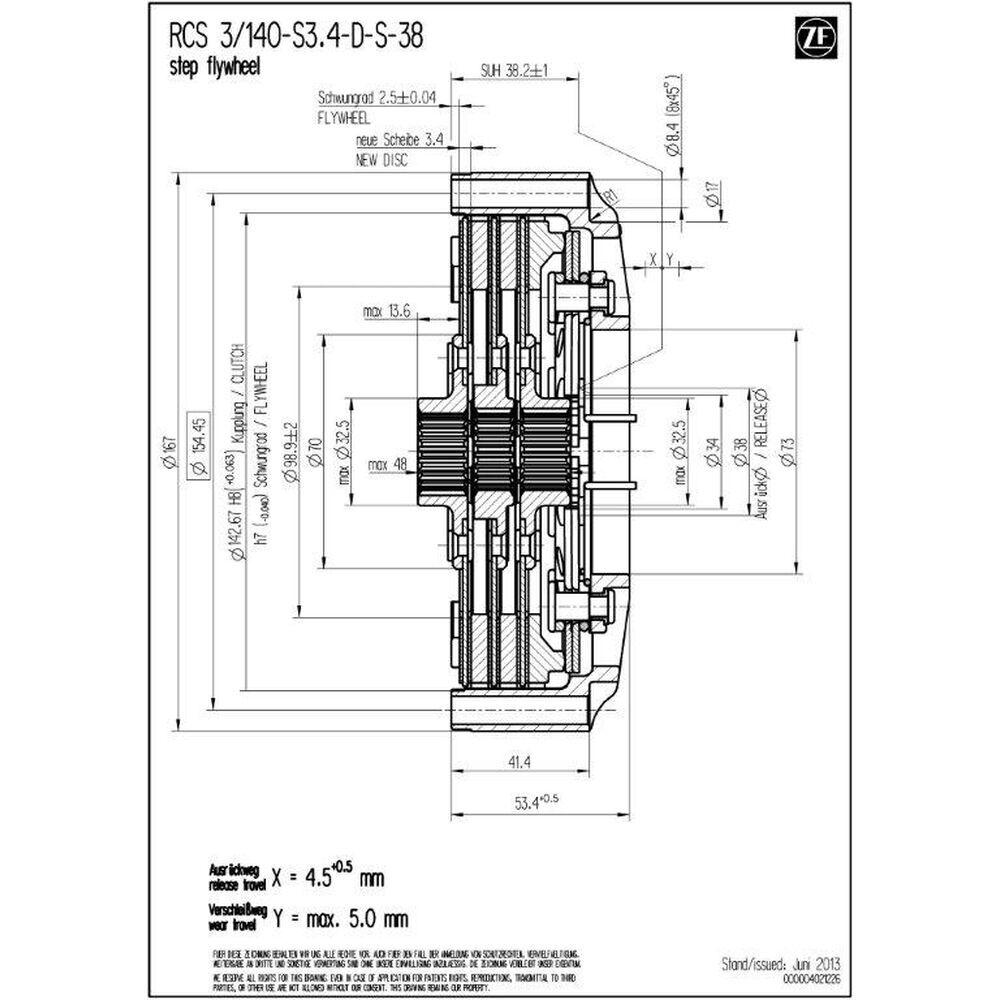
Tekniska data RCS 3/140:
- Fordon:
Ferrari 458 GT3 4,5 L V8 (2011–2014) - max motormoment [Nm] : 1 430
- urkopplingsdiameter [mm] : 38
- urkopplingskraft [N] : 4 200
- urkopplingsväg [mm] : 4.5 +0.5
- massa [kg] : 3.01
- tröghetsmoment [kgm2] : 0.009230
Kopplingskåpa (hus)
RCS 140-huset i höghållfast smitt aluminium maximerar styvhet vid minimal vikt. Geometrin stödjer värmeavledning och stabiliserar kopplingspaketets temperaturfönster; en slitstark hårdbeläggning minskar glid- och passningsslitage - anpassat för de termiska lasterna i 458 GT3-endurance.
Friktionsbelägg
Sintermetall ger hög temperaturtålighet, mycket god värmeledning och fade-resistens för torr höglast. Tjockleken 3,4 mm ger den beprövade balansen mellan värmebuffert, livslängd och låg roterande massa - idealiskt för frekventa lastväxlingar, sena bromspunkter och korta depåstopp i GT3.
Navprofil (splines)
Denna RCS 3/140 S3.4 levereras med korrekt navprofil för Ferrari 458 GT3 - exakt matchad till växellådans ingående axel. Säkerställer hög passningsnoggrannhet, tillförlitlig momentöverföring och maximal hållbarhet i tävlingsbruk.
Leveransomfattning
RCS 140 kopplingskåpa (HA140), aluminium
1x RCS 140 tryckplatta (PP140), stål
2x RCS 140 mellanplatta (IP140), stål
3x RCS 140 kopplingsskiva, sinter 3.4
navlängd: lång-medium-lång
Kvalitet Made in Germany
ZF Race Engineering har i många år varit bland teknikledarna inom motorsport. Den samlade kunskapen från toppklasserna går direkt in i utvecklingen av RCS racingkopplingar. Modern tillverkning, högsta kvalitetskrav och motorsportteknik gör ZF Motorsport-kopplingar till förstahandsvalet för maximal prestanda och tillförlitlighet - på bana liksom inom rally, touring och endurance.
Användningsområden
Europa
Blancpain Endurance/Sprint (GTWC Europe),
24h Spa, ELMS (GTC/GT3), FIA GT3, ADAC GT Masters, British GT m.fl.
Nordamerika
Pirelli World Challenge (GTWC America),
IMSA/Grand-Am, historiska GT3- och klubbtävlingar.
Asien/Stillahavet
GT Asia Series, Asian Le Mans (GTC),
Australian GT, regionala 12h/24h-endurance (t.ex. Sepang, Dubai, Bathurst).
Partners till ZF Race Engineering







Beskrivning
Tillverkare