Designed to make a
difference
SACHS Motorsport-Kupplungen von ZF Race Engineering stehen seit Jahrzehnten für Spitzenqualität im internationalen Motorsport. Der Anspruch: kontinuierliche Verbesserungen und die Bereitschaft, die Grenzen des Machbaren immer weiter zu verschieben. Von der leichtesten Kupplung in der Formel 1 bis zu bewährten Systemen in WRC, DTM, NASCAR, Le Mans oder der Rallye Dakar – ZF Motorsport-Technologie ist fester Bestandteil zahlreicher Siegerfahrzeuge weltweit.
SACHS Motorsportkupplung
für Ferrari 458 GT3
Sintermetall 3,4 mm, starre Ausführung
Fahrzeugspezifisch für den Ferrari 458 GT3 (2011–2014): Die dreischeibige SACHS RCS 3/140 S3.4 Motorsportkupplung nutzt den kompakten 140-mm-Durchmesser für ein geringes Massenträgheitsmoment und kurze Schaltfenster – ideal für die Packaging-Vorgaben des 458-GT3-Antriebsstrangs sowie enge, technische Kurse.
Der 3,4-mm Sinterbelag bietet den praxistauglichen Mittelweg: mehr Wärmekapazität und Verschleißreserve als 2,6-mm, agileres Ansprechen und schnellere Temperatur-Rückstellung als 5,2-mm. Ergebnis: stabiler Druckpunkt über längere Stints, präzise Modulation beim Anfahren und Hochschalten – perfekt auf die Hochdrehzahl-Charakteristik des 4,5-Liter-V8 des 458 GT3 abgestimmt.
In dieser Auslegung überträgt die RCS 3/140 S3.4 bis zu 1.430 Nm maximales Motordrehmoment. Das geschmiedete Aluminiumgehäuse sorgt für hohe Steifigkeit bei geringem Gewicht; Anpress- und Zwischenplatten aus hochfestem Stahl gewährleisten Start- und Dauerfestigkeit im harten GT3-Einsatz.

Vorteile
leicht
geringe Bauhöhe
geringe Masse und Massenträgheit
Geringere Masse
Eine der größten Stärken der RCS-Sinter-Kupplung ist ihre geringe Masse und die damit verbundene niedrige Massenträgheit.
Die SACHS RCS Motorsport-Kupplungen sind auf eine möglichst niedrige Masse ausgelegt und verfolgen das Ziel, das Drehmoment des Motors möglichst schnell und direkt an das Getriebe weiterzuleiten.
Durch Erleichterungsmaßnahmen im Kurbeltrieb, die das Massenträgheits-moment reduzieren, steigt das Beschleunigungsverhalten des Fahrzeugs in den unteren Gängen deutlich an.

Schnellere Beschleunigung
Hat z. B. die Kupplung ein Massenträgheitsmoment (Mtm) von 0,061 kgm2, wirkt dieses bei einer Getriebeübersetzungü von 13,4:1 (Übersetzungsverhältnis 1. Gang) am Antriebsrad mit dem 180-fachen Betrag (13,42). Rechnet man das Mtm in Fahrzeugmasse um, ergibt dies im 1. Gang ein Zusatzgewicht von ca. 145 kg, die es zu beschleunigen gilt.
Aufgrund der geringen Massenträgheit der SACHS RCS-Kupplung wird eine wesentliche Verkürzung der Schaltzeiten sowie eine schnellere Beschleunigung Ihres Fahrzeugs ermöglicht.





Die Technik
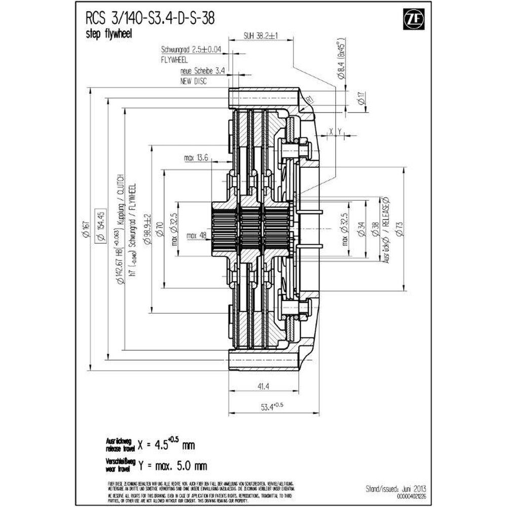
Technische Daten RCS 3/140:
- Fahrzeug:
Ferrari 458 GT3 4.5l V8 (2011–2014) - Maximales Motordrehmoment [Nm] : 1.430
- Ausrückdurchmesser [mm] : 38
- Ausrückkraft [N] : 4.200
- Ausrückweg [mm] : 4.5 +0.5
- Masse (Gewicht) [kg] : 3.01
- Massenträgheit [kgm2] : 0.009230
Kupplungsgehäuse
Das RCS-140-Gehäuse aus hochfestem, geschmiedetem Aluminium maximiert Steifigkeit bei minimalem Gewicht. Die Gehäusegeometrie fördert die Wärmeabfuhr und stabilisiert das Temperaturfenster des Kupplungspakets; eine verschleißfeste Hartbeschichtung reduziert Reib- und Passungsverschleiß – passend zur thermischen Belastung im 458-GT3-Langstreckenbetrieb.
Kupplungsbelag
Sintermetall liefert hohe Temperaturfestigkeit, sehr gute Wärmeleitfähigkeit und Fade-Resistenz für trockene Hochlast-Einsätze. Die 3,4-mm-Dicke bietet den bewährten Kompromiss aus Wärmepuffer, Lebensdauer und niedriger rotierender Masse – ideal für häufige Lastwechsel, späte Bremspunkte und kurze Boxenstopp-Zyklen im GT3-Betrieb.
Nabenprofil
Diese RCS 3/140 S3.4 wird mit dem korrekt passenden Nabenprofil für den Ferrari 458 GT3 ausgeliefert – exakt auf die Getriebeeingangswelle dieses Modells abgestimmt. Das garantiert höchste Passgenauigkeit, zuverlässige Kraftübertragung und maximale Haltbarkeit im Rennbetrieb.
Lieferumfang
RCS 140 Kupplungsgehäuse (HA140), Aluminium
1x RCS 140 Anpressplatte (PP140), Stahl
2x RCS 140 Zwischenplatte (IP140), Stahl
3x RCS 140 Kupplungsscheibe, Sinter 3.4
Nabenlänge: lang-mittel-lang
Qualität Made in Germany
ZF Race Engineering zählt seit Jahren zu den Technologieführern im Motorsport. Das gebündelte Know-how aus dem Spitzen-Motorsport fließt direkt in die Entwicklung der RCS Motorsport-Kupplungen mit ein. Modernste Fertigungsmethoden, höchste Qualitätsstandards und Motorsport-Technologien machen die Kupplungen von ZF Motorsport zur ersten Wahl für maximale Performance und Zuverlässigkeit - auf der Rundstrecke ebenso wie im Rallye-, Touren- und Langstreckeneinsatz.
Einsatzgebiete
Europa
Blancpain Endurance/Sprint (GTWC Europe),
24h Spa, ELMS (GTC/GT3), FIA GT3, ADAC GT Masters, British GT u. a.
Nordamerika
Pirelli World Challenge (GTWC America),
IMSA/Grand-Am-Umfeld, historische GT3- und Club-Racing-Events.
Asien/Pazifik
GT Asia Series, Asian Le Mans (GTC),
Australian GT, 12h/24h-Langstrecken in der Region (z. B. Sepang, Dubai, Bathurst).
Partners of ZF Race Engineering







Beschreibung
Hersteller