Ontworpen om het
verschil te maken
SACHS motorsport-koppelingen van ZF Race Engineering staan al decennialang voor topkwaliteit in de autosport. De ambitie: continu verbeteren en de grenzen blijven verleggen. Van de lichtste F1-koppeling tot beproefde dubbelplaat- en multiplaten-systemen in WRC, DTM, NASCAR, Le Mans en de Dakar Rally - ZF Motorsport-technologie is een vaste factor in talloze winnende auto's wereldwijd.
SACHS racekoppeling
voor Ferrari 458 GT3
sinter 3,4 mm, starre uitvoering
Voertuigspecifiek voor de Ferrari 458 GT3 (2011–2014): de drieschijfs SACHS RCS 3/140 S3.4 racekoppeling benut de compacte 140 mm diameter voor een lage massatraagheid en korte schakelmomenten - ideaal voor de packaging van de 458 GT3-aandrijflijn en krappe technische circuits.
De 3,4 mm sinter frictievoering is de praktijkgerichte middenweg: meer warmtecapaciteit en slijtagebuffer dan 2,6 mm, alertere respons en snellere thermische reset dan 5,2 mm. Resultaat: stabiel aangrijppunt over lange stints, precieze modulatie bij wegrijden en opschakelen - perfect afgestemd op het hoogtoerige karakter van de 4,5 L V8 van de 458 GT3.
In deze uitvoering brengt de RCS 3/140 S3.4 tot 1.430 Nm maximaal motorkoppel over. De gesmede aluminium koppelingskåpa biedt hoge stijfheid bij laag gewicht; druk- en tussenplaten van hoogsterk staal garanderen start- en duursterkte in zware GT3-inzet.

Voordelen
licht
lage constructiehoogte
lage massa en massatraagheid
Lagere massa
Een van de sterkste punten van de "RCS-Sinter" koppeling is de lage massa en de daarmee gepaard gaande lage massatraagheid.
De SACHS RCS motorsport-koppelingen zijn ontworpen voor een zo laag mogelijke massa. Het doel ervan is het koppel van de motor zo snel en rechtstreeks mogelijk op de transmissie door te geven.
Door maatregelen die de transmissie vergemakkelijken, en het massatraagheidsmoment reduceren, kan het voertuig in de laagste versnellingen duidelijk beter versnellen.

Snellere acceleratie
Als de koppeling bijvoorbeeld een massatraagheidmoment (Mtm) van 0,061 kg m2 heeft, dan werkt dit bij een transmissieoverdracht van 13,4:1 (overbrengingsverhouding 1e versnelling) op het aandrijfwiel met een 180-voudige werking (13,42). Als het Mtm in voertuigmassa wordt omgerekend, resulteert dit in de 1e versnelling in een extra gewicht van ongeveer 145 kg, die moeten worden geaccelereerd.
Vanwege de lage massatraagheid van de SACHS RCS-koppeling, wordt een wezenlijke verkorting van de schakeltijden en een snellere acceleratie van uw voertuig mogelijk.





Techniek
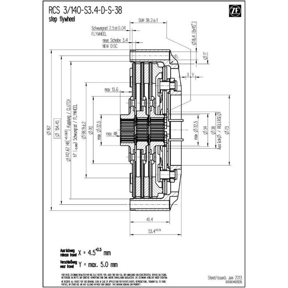
Technische gegevens RCS 3/140:
- Voertuig:
Ferrari 458 GT3 4,5 L V8 (2011–2014) - maximaal motorkoppel [Nm] : 1.430
- ontkoppelingsdiameter [mm] : 38
- ontkoppelingskracht [N] : 4.200
- ontkoppelingsweg [mm] : 4.5 +0.5
- massa [kg] : 3.01
- massatraagheid [kgm2] : 0.009230
Koppelingshuis
De RCS 140-huisconstructie uit hoogsterk gesmeed aluminium maximaliseert de stijfheid bij minimaal gewicht. De geometrie bevordert warmteafvoer en stabiliseert het temperatuurbereik van het koppelingspakket; een slijtvaste hardcoating vermindert glij- en pas-slijtage - passend bij de thermische belasting in 458 GT3-endurance.
Frictievoering
Sintermateriaal biedt hoge temperatuurbestendigheid, zeer goede warmtegeleiding en fade-resistentie voor droge hoogbelaste toepassingen. De 3,4 mm dikte levert de bewezen balans tussen warmtereserve, levensduur en lage roterende massa - ideaal voor frequente lastwissels, late rempunten en korte pitstops in GT3-gebruik.
Naafprofiel (vertanding)
Deze RCS 3/140 S3.4 wordt geleverd met het correct passende naafvertandingsprofiel voor de Ferrari 458 GT3 - exact afgestemd op de ingaande versnellingsbakas. Dit garandeert hoge passingnauwkeurigheid, betrouwbare krachtoverdracht en maximale duurzaamheid in de racerij.
Leveromvang
RCS 140 koppelingshuis (HA140), aluminium
1x RCS 140 drukplaat (PP140), staal
2x RCS 140 tussenplaat (IP140), staal
3x RCS 140 koppelingsplaat, sinter 3.4
naaflengte: lang-middel-lang
Kwaliteit Made in Germany
ZF Race Engineering behoort al jaren tot de technologische koplopers in de autosport. De gebundelde knowhow uit de topklassen stroomt rechtstreeks door in de ontwikkeling van RCS racekoppelingen. Moderne productiemethoden, de hoogste kwaliteitsnormen en motorsporttechnologieën maken ZF Motorsport-koppelingen tot de eerste keuze voor maximale performance en betrouwbaarheid - op het circuit evenals in rally, toerwagens en endurance.
Toepassingen
Europa
Blancpain Endurance/Sprint (GTWC Europe),
24h Spa, ELMS (GTC/GT3), FIA GT3, ADAC GT Masters, British GT e.a.
Noord-Amerika
Pirelli World Challenge (GTWC America),
IMSA/Grand-Am omgeving, historische GT3- en clubraces.
Azië/Pacifisch
GT Asia Series, Asian Le Mans (GTC),
Australian GT, regionale 12h/24h endurance (o.a. Sepang, Dubai, Bathurst).
Partners van ZF Race Engineering







Beschrijving
Producent