Conçu pour faire
la différence
Depuis des décennies, les embrayages de compétition SACHS de ZF Race Engineering incarnent la qualité de référence en sport auto. L'ambition : amélioration continue et volonté de repousser les limites. De l'embrayage le plus léger en Formule 1 aux systèmes bi-disque et multi-disques éprouvés en WRC, DTM, NASCAR, Le Mans ou au Rallye Dakar - la technologie ZF Motorsport fait partie intégrante de nombreux voitures victorieuses dans le monde.
Embrayage de compétition SACHS
pour Ferrari 458 GT3
métal fritté 3,4 mm, version rigide
Spécifique au Ferrari 458 GT3 (2011–2014) : l'embrayage de compétition tri-disque SACHS RCS 3/140 S3.4 exploite le diamètre compact de 140 mm pour un faible moment d'inertie et des fenêtres de passage de rapports courtes - idéal pour les contraintes d'intégration de la chaîne cinématique du 458 GT3 et les circuits techniques.
La garniture en métal fritté 3,4 mm est le bon compromis pratique : plus de capacité thermique et de réserve d'usure que 2,6 mm, réponse plus vive et retour thermique plus rapide que 5,2 mm. Résultat : point de pression stable sur de longs relais, modulation précise au départ et au passage des rapports - adapté au caractère haut régime du V8 4,5 L du 458 GT3.
Dans cette configuration, la RCS 3/140 S3.4 transmet jusqu'à 1 430 Nm de couple moteur maximal. Le carter d'embrayage en aluminium forgé offre une grande rigidité pour un poids réduit ; les plateaux de pression et intermédiaires en acier hautes performances garantissent la tenue aux départs et en endurance en GT3.

Avantages
léger
hauteur de construction plus faible
faible masse et inertie
masse plus faible
L'un des plus grands atouts de l'embrayage "RCS-Sinter" est sa faible masse et la faible inertie de masse qui en découle.
Les embrayages SACHS RCS Motorsport sont conçus pour avoir la masse la plus faible possible et poursuivent l'objectif de transmettre le couple du moteur le plus rapidement et le plus directement possible à la boîte de vitesses.
Grâce à des mesures d'allègement du mécanisme de vilebrequin qui réduisent le moment d'inertie, le comportement d'accélération du véhicule augmente nettement dans les rapports inférieurs.

Accélération plus rapide
Si, par exemple, l'embrayage a un moment d'inertie (Mtm) de 0,061 kgm2 , celui-ci agit sur la roue motrice avec une valeur 180 fois supérieure (13,42) pour un rapport de transmission de 13,4:1 (rapport de 1re vitesse). Si l'on convertit le Mtm en masse du véhicule, cela donne en 1ère vitesse un poids supplémentaire d'environ 145 kg qu'il faut accélérer.
En raison de la faible inertie de masse de l'embrayage SACHS RCS, il est possible de réduire considérablement les temps de changement de vitesse ainsi que d'accélérer plus rapidement votre véhicule.





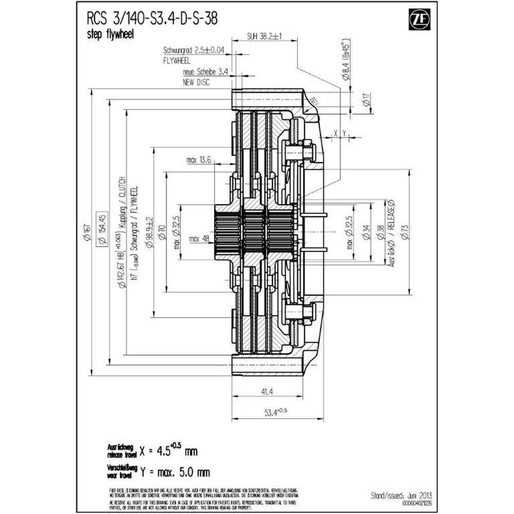
La technique
Données techniques RCS 3/140 :
- Véhicule :
Ferrari 458 GT3 4,5 L V8 (2011–2014) - couple moteur maximal [Nm] : 1 430
- diamètre de débrayage [mm] : 38
- force de débrayage [N] : 4 200
- course de débrayage [mm] : 4.5 +0.5
- masse [kg] : 3.01
- moment d'inertie [kgm2] : 0.009230
Carter d'embrayage
Le carter RCS 140 en aluminium forgé haute résistance maximise la rigidité pour un poids minimal. Sa géométrie favorise l'évacuation de la chaleur et stabilise la fenêtre de température du train d'embrayage ; un revêtement dur anti-usure réduit l'usure de frottement et d'ajustement - adapté aux charges thermiques en endurance 458 GT3.
Garniture de friction
Le métal fritté offre une grande résistance à la température, une excellente conductivité thermique et une forte résistance au fading pour un fonctionnement à sec sous forte charge. L'épaisseur 3,4 mm fournit le compromis idéal entre tampon thermique, durée de vie et faible masse tournante - idéal pour les changements de charge fréquents, freinages tardifs et courts passages aux stands en GT3.
Profil de moyeu (canélures)
Cette RCS 3/140 S3.4 est fournie avec le profil de moyeu adapté au Ferrari 458 GT3 - ajusté avec précision à l'arbre d'entrée de boîte. Garantit un ajustement parfait, un transfert de couple fiable et une durabilité maximale en compétition.
Contenu de livraison
Carter d'embrayage RCS 140 (HA140), aluminium
1x plateau de pression RCS 140 (PP140), acier
2x plateau intermédiaire RCS 140 (IP140), acier
3x disque d'embrayage RCS 140, métal fritté 3.4
longueur de moyeu : long-moyen-long
Qualité Made in Germany
ZF Race Engineering compte depuis des années parmi les leaders technologiques du sport automobile. Le savoir-faire réuni du sport de haut niveau s'intègre directement dans le développement des embrayages de compétition RCS. Des méthodes de fabrication de pointe, des normes de qualité les plus élevées et des technologies issues du sport automobile font des embrayages ZF Motorsport le premier choix pour une performance et une fiabilité maximales - sur circuit ainsi qu'en rallye, tourisme et endurance.
Applications
Europe
Blancpain Endurance/Sprint (GTWC Europe),
24h Spa, ELMS (GTC/GT3), FIA GT3, ADAC GT Masters, British GT, etc.
Amérique du Nord
Pirelli World Challenge (GTWC America),
environnement IMSA/Grand-Am, épreuves GT3 historiques et courses club.
Asie/Pacifique
GT Asia Series, Asian Le Mans (GTC),
Australian GT, endurances 12h/24h régionales (p. ex. Sepang, Dubai, Bathurst).
Partenaires de ZF Race Engineering







Description
Fabricant