Progettato per fare la
differenza
Da decenni le frizioni da competizione SACHS di ZF Race Engineering rappresentano la massima qualità nel motorsport internazionale. L'obiettivo: miglioramento continuo e volontà di spingere sempre più in là i limiti. Dalla frizione più leggera usata in Formula 1 ai sistemi bi-disco e multidisco collaudati in WRC, DTM, NASCAR, Le Mans e Rally Dakar - la tecnologia ZF Motorsport è parte integrante di molte vetture vincenti nel mondo.
Frizione da competizione SACHS
per Ferrari 458 GT3
metallo sinterizzato 3,4 mm, versione rigida
Specifica per Ferrari 458 GT3 (2011–2014): la frizione racing tri-disco SACHS RCS 3/140 S3.4 sfrutta il diametro compatto da 140 mm per un basso momento d'inerzia e finestre di cambiata brevi - ideale per i vincoli di packaging della trasmissione del 458 GT3 e per i circuiti tecnici.
Il rivestimento d'attrito in metallo sinterizzato da 3,4 mm rappresenta il compromesso pratico: maggiore capacità termica e riserva d'usura rispetto a 2,6 mm, risposta più pronta e ripristino termico più rapido rispetto a 5,2 mm. Risultato: punto di pressione stabile su stint lunghi, modulazione precisa in partenza e in upshift - perfetto per il carattere alto regime del V8 4,5 L del 458 GT3.
In questa configurazione la RCS 3/140 S3.4 trasmette fino a 1.430 Nm di coppia motore massima. La campana frizione in alluminio forgiato garantisce elevata rigidezza con peso ridotto; piatto spingidisco e piastra intermedia in acciaio altoresistenziale assicurano resistenza allo start e all'endurance nel severo uso GT3.

Vantaggi
leggero
altezza ridotta
bassa massa e inerzia
Massa ridotta
Uno dei maggiori punti di forza della frizione "RCS-Sinter" è la sua massa ridotta e la relativa inerzia.
Le frizioni sportive RCS SACHS sono progettate per una massa molto bassa e perseguono l'obiettivo di trasmettere alla trazione la coppia del motore il più velocemente e direttamente possibile.
Facilitando le misure per l'albero motore che riducono il momento d'inerzia, aumenta in modo significativo l'accelerazione della vettura con le marce basse.

Accelerazione più veloce
Se, per esempio, la frizione ha un momento d'inerzia (MOI) di 0,061 kgm2, questo produce un rapporto di trasmissione di 13,4: 1 (rapporto nella 1 marcia) sulla ruota motrice con l'aumento di 180 volte (13,42). Calcolando il MoI come massa del veicolo, questo si traduce nella 1 marcia in un peso supplementare di circa 145 kg da accelerare.
A causa della bassa inerzia della frizione RCS SACHS si produce una riduzione sostanziale dei tempi di cambio e una maggiore accelerazione del veicolo.





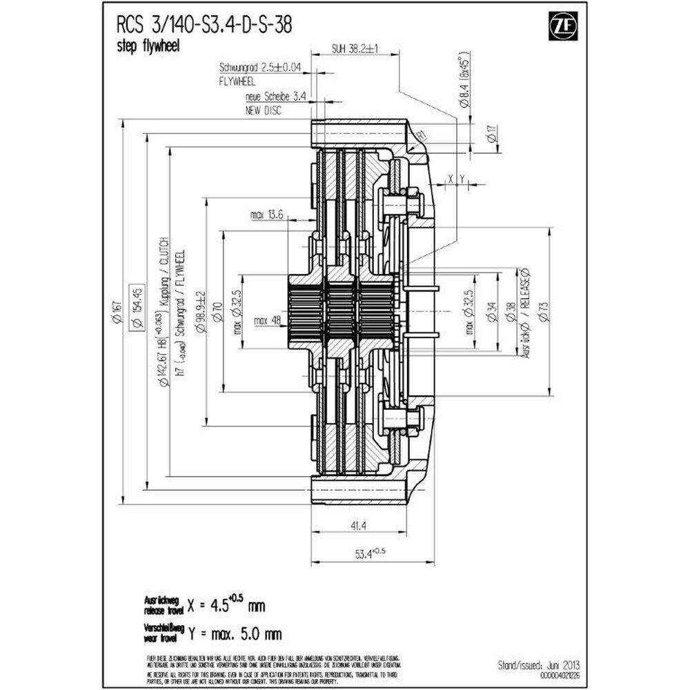
La tecnica
Dati tecnici RCS 3/140:
- Veicolo:
Ferrari 458 GT3 4,5 L V8 (2011–2014) - coppia motore massima [Nm] : 1.430
- diametro di disinnesto [mm] : 38
- forza di disinnesto [N] : 4.200
- corsa di disinnesto [mm] : 4.5 +0.5
- massa [kg] : 3.01
- momento d'inerzia [kgm2] : 0.009230
Campana frizione (carter)
La campana RCS 140 in alluminio forgiato ad alta resistenza massimizza la rigidezza con peso minimo. La geometria favorisce la dissipazione del calore e stabilizza la finestra termica del pacco frizione; un rivestimento duro antiusura riduce l'usura da scorrimento e accoppiamento - tarato per i carichi termici dell'endurance 458 GT3.
Rivestimento d'attrito
Il metallo sinterizzato offre elevata resistenza termica, ottima conduttività e resistenza al fading per impiego a secco ad alto carico. Lo spessore 3,4 mm fornisce il compromesso collaudato tra tampone termico, durata e bassa massa rotante - ideale per frequenti variazioni di carico, staccate tardive e pit-stop brevi in GT3.
Profilo scanalato del mozzo
Questa RCS 3/140 S3.4 viene fornita con il profilo scanalato del mozzo corretto per la Ferrari 458 GT3 - abbinato con precisione all'albero primario del cambio. Garantisce massima precisione d'accoppiamento, trasferimento di coppia affidabile e lunga durata in gara.
Fornitura
Campana frizione RCS 140 (HA140), alluminio
1x piatto spingidisco RCS 140 (PP140), acciaio
2x piastra intermedia RCS 140 (IP140), acciaio
3x disco frizione RCS 140, sinterizzato 3.4
lunghezza mozzo: lungo-medio-lungo
Qualità Made in Germany
ZF Race Engineering è da anni tra i leader tecnologici del motorsport. Il know-how riunito dalle massime categorie confluisce direttamente nello sviluppo delle frizioni da competizione RCS. Metodi produttivi all'avanguardia, i più elevati standard di qualità e tecnologie del motorsport rendono le frizioni ZF Motorsport la prima scelta per massime prestazioni e affidabilità - in pista come nel rally, nelle competizioni turismo e nell'endurance.
Applicazioni
Europa
Blancpain Endurance/Sprint (GTWC Europe),
24h Spa, ELMS (GTC/GT3), FIA GT3, ADAC GT Masters, British GT e altro.
Nord America
Pirelli World Challenge (GTWC America),
ecosistema IMSA/Grand-Am, eventi GT3 storici e club racing.
Asia/Pacifico
GT Asia Series, Asian Le Mans (GTC),
Australian GT, endurance regionali 12h/24h (es. Sepang, Dubai, Bathurst).
Partner di ZF Race Engineering







Descrizione
Produttore