Zaprojektowany, by robić różnicę
difference
Sprzęgła wyczynowe SACHS od ZF Race Engineering od dekad są synonimem najwyższej jakości w międzynarodowym motorsporcie. Cel: nieustanne udoskonalanie i przesuwanie granic możliwości. Od najlżejszego sprzęgła w Formule 1 po sprawdzone układy dwutarczowe i wielotarczowe w WRC, DTM, NASCAR, Le Mans czy Rajdzie Dakar - technologia ZF Motorsport stanowi kluczowy element wielu zwycięskich samochodów na świecie.
Sprzęgło wyczynowe SACHS
do Ferrari 458 GT3
spiek metaliczny 3,4 mm, wersja sztywna
Dedykowane do Ferrari 458 GT3 (2011–2014): trójtarczowe sprzęgło SACHS RCS 3/140 S3.4 wykorzystuje kompaktową średnicę 140 mm dla niskiego momentu bezwładności i krótkich okien zmiany biegów - idealne dla ograniczeń pakietowych układu napędowego 458 GT3 oraz ciasnych, technicznych torów.
Okładzina spiekowa 3,4 mm to praktyczny kompromis: większa pojemność cieplna i rezerwa zużycia niż 2,6 mm, szybsza reakcja i szybszy powrót termiczny niż 5,2 mm. Efekt: stabilny punkt zadziałania podczas dłuższych stintów, precyzyjna modulacja przy starcie i zmianie na wyższy bieg - idealnie zgrane z wysokoobrotowym charakterem silnika V8 4,5 L 458 GT3.
W tej specyfikacji RCS 3/140 S3.4 przenosi do 1 430 Nm maksymalnego momentu silnika. Obudowa sprzęgła z kutego aluminium zapewnia wysoką sztywność przy niskiej masie; docisk i płyty pośrednie z wysokojakościowej stali gwarantują odporność na starty i wytrzymałość w wymagającym użyciu GT3.

Zalety
lekka
Niższa wysokość całkowita
Niska masa i bezwładność
Mniejsza masa
Jedną z największych zalet sprzęgła RCS-Sinter jest jego niska masa i związana z nią niska bezwładność.
Sprzęgła motocyklowe SACHS RCS zostały zaprojektowane z myślą o jak najmniejszej masie i mają na celu jak najszybsze i bezpośrednie przeniesienie momentu obrotowego silnika na skrzynię biegów.
Poprzez zastosowanie uproszczeń w mechanizmie tłokowo-korbowym, które redukują moment bezwładności masy, wyraźnie rośnie przyspieszenie pojazdu na niższych przełożeniach.

Szybsze przyspieszenie
Na przykład jeśli sprzęgło ma moment bezwładności masy (mbm) 0,061 kgm2 , to przy przełożeniu 13,4:1 (stosunek przełożenia na 1. biegu) działa na koło napędowe z 180-krotną wartością (13,42). Po przeliczeniu mbm na masę pojazdu masa na 1. biegu jest o ok. 145 kg większa, co wpływa na przyspieszenie.
Dzięki małej bezwładności masowej sprzęgła SACHS RCS możliwe jest znaczne skrócenie czasów przestawiania i szybsze przyspieszenie pojazdu.





Technologia
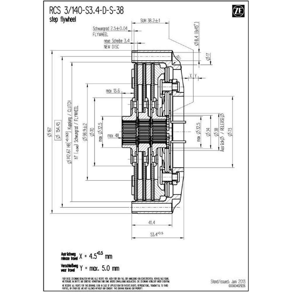
Dane techniczne RCS 3/140:
- Pojazd:
Ferrari 458 GT3 4,5 L V8 (2011–2014) - maksymalny moment silnika [Nm] : 1 430
- średnica wysprzęglania [mm] : 38
- siła wysprzęglania [N] : 4 200
- skok wysprzęglania [mm] : 4.5 +0.5
- masa [kg] : 3.01
- moment bezwładności [kgm2] : 0.009230
Obudowa sprzęgła
Korpus RCS 140 z wysokowytrzymałego kutego aluminium maksymalizuje sztywność przy minimalnej masie. Geometria wspiera odprowadzanie ciepła i stabilizuje okno temperaturowe pakietu sprzęgła; odporna powłoka twarda ogranicza zużycie ślizgowe i pasowania - dopasowane do obciążeń termicznych w długodystansowej jeździe 458 GT3.
Okładzina cierna
Spiek metaliczny zapewnia wysoką odporność temperaturową, bardzo dobrą przewodność cieplną i odporność na fading w suchych, wysokoobciążonych warunkach. Grubość 3,4 mm daje sprawdzony kompromis między buforem cieplnym, trwałością a niską masą wirującą - idealny do częstych zmian obciążeń, późnych hamowań i krótkich pit-stopów w GT3.
Profil wielowypustu piasty
Ta RCS 3/140 S3.4 dostarczana jest z prawidłowym profilem wielowypustu piasty do Ferrari 458 GT3 - dokładnie dopasowanym do wałka wejściowego skrzyni. Zapewnia najwyższą dokładność pasowania, niezawodny transfer momentu i trwałość w sporcie motorowym.
Zawartość zestawu
Obudowa sprzęgła RCS 140 (HA140), aluminium
1x docisk RCS 140 (PP140), stal
2x płyta pośrednia RCS 140 (IP140), stal
3x tarcza sprzęgła RCS 140, spiek 3.4
długość piasty: długa-średnia-długa
Jakość Made in Germany
ZF Race Engineering od lat należy do liderów technologicznych w motorsporcie. Skoncentrowana wiedza z najwyższych klas wyścigowych trafia bezpośrednio do rozwoju sprzęgieł wyczynowych RCS. Najnowocześniejsze metody produkcji, najwyższe standardy jakości i technologie motorsportowe sprawiają, że sprzęgła ZF Motorsport są pierwszym wyborem dla maksymalnych osiągów i niezawodności - na torach, jak również w rajdach, wyścigach turystycznych i endurance.
Zastosowania
Europa
Blancpain Endurance/Sprint (GTWC Europe),
24h Spa, ELMS (GTC/GT3), FIA GT3, ADAC GT Masters, British GT i inne.
Ameryka Północna
Pirelli World Challenge (GTWC America),
ekosystem IMSA/Grand-Am, historyczne GT3 oraz imprezy klubowe.
Azja/Pacyfik
GT Asia Series, Asian Le Mans (GTC),
Australian GT, regionalne 12h/24h endurance (np. Sepang, Dubaj, Bathurst).
Partnerzy ZF Race Engineering







Opis
Producent