Diseñado para marcar
la diferencia
Los embragues de competición SACHS de ZF Race Engineering representan desde hace décadas la máxima calidad en el automovilismo internacional. La meta: mejora continua y voluntad de superar los límites. Desde el embrague más ligero usado en Fórmula 1 hasta sistemas bidisco y multidisco probados en WRC, DTM, NASCAR, Le Mans y el Rally Dakar - la tecnología ZF Motorsport es parte esencial de numerosos coches ganadores en todo el mundo.
Embrague de competición SACHS
para Ferrari 458 GT3
sinterizado 3,4 mm, versión rígida
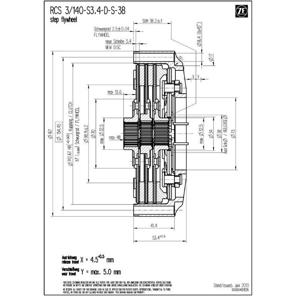
Específico para el Ferrari 458 GT3 (2011–2014): el embrague racing de triple disco SACHS RCS 3/140 S3.4 utiliza el diámetro compacto de 140 mm para un bajo momento de inercia y ventanas de cambio cortas - ideal para el packaging de la transmisión del 458 GT3 y trazados técnicos.
El forro sinterizado de 3,4 mm es el término medio práctico: mayor capacidad térmica y reserva de desgaste que 2,6 mm, respuesta más ágil y recuperación térmica más rápida que 5,2 mm. Resultado: punto de mordida estable en stints largos, modulación precisa en salidas y cambios ascendentes - perfectamente ajustado al carácter de alto régimen del V8 4,5 L del 458 GT3.
En esta configuración la RCS 3/140 S3.4 transmite hasta 1.430 Nm de par motor máximo. La carcasa del embrague en aluminio forjado aporta gran rigidez con bajo peso; los platos de presión e intermedios en acero de alta resistencia garantizan robustez en salidas y resistencia en endurance bajo uso GT3 exigente.

Ventajas
ligero
baja altura
baja masa e inercia
Masa reducida
Uno de los mayores puntos fuertes del embrague "RCS-Sinter" es su baja masa y la baja inercia de masa asociada.
Los embragues para carreras SACHS RCS están diseñados para tener una masa muy baja y persiguen el objetivo de proporcionar el par motor lo más rápido y directo posible a la transmisión.
Mediante la reducción de peso del cigüeñal, que a su vez reduce el momento de inercia, la respuesta en la aceleración del vehículo aumenta de manera significativa en las marchas más bajas.

Aceleración más rápida
Si, por ejemplo, el embrague tiene un momento de inercia (MI) de 0,061 kgm2, ataca con una relación de transmisión a los engranajes de 13,4: 1 (relación para la primera marcha), en la rueda motriz con una cantidad 180 veces mayor (13,42). Agregando a la MI la masa del vehículo, resulta en primera marcha un peso adicional de alrededor de 145 kg, que hay que acelerar.
Debido a la baja inercia del embrague SACHS RCS se consigue un acortamiento considerable de los tiempos de respuesta y una aceleración más rápida de su vehículo.





Tecnología
Datos técnicos RCS 3/140:
- Vehículo:
Ferrari 458 GT3 4,5 L V8 (2011–2014) - par motor máximo [Nm] : 1.430
- diámetro de desembrague [mm] : 38
- fuerza de desembrague [N] : 4.200
- recorrido de desembrague [mm] : 4.5 +0.5
- masa [kg] : 3.01
- momento de inercia [kgm2] : 0.009230
Carcasa del embrague
La carcasa RCS 140 de aluminio forjado de alta resistencia maximiza la rigidez con peso mínimo. Su geometría favorece la disipación de calor y estabiliza la ventana térmica del paquete de embrague; un recubrimiento duro resistente al desgaste reduce el desgaste por fricción y ajuste - adecuado a las cargas térmicas del 458 GT3 en endurance.
Forro de fricción
El material sinterizado ofrece alta resistencia a la temperatura, muy buena conductividad térmica y resistencia al fading en servicio en seco y alta carga. El espesor de 3,4 mm proporciona el equilibrio probado entre tampón térmico, vida útil y baja masa giratoria - ideal para cambios frecuentes de carga, frenadas tardías y paradas en boxes cortas en GT3.
Perfil estriado del buje
Esta RCS 3/140 S3.4 se suministra con el perfil estriado del buje correcto para el Ferrari 458 GT3 - ajustado con precisión al eje primario de la caja de cambios. Garantiza máxima exactitud de ajuste, transferencia de par fiable y máxima durabilidad en competición.
Contenido del suministro
Carcasa RCS 140 (HA140), aluminio
1x plato de presión RCS 140 (PP140), acero
2x plato intermedio RCS 140 (IP140), acero
3x disco de embrague RCS 140, sinterizado 3.4
longitud del buje: largo-medio-largo
Calidad Made in Germany
ZF Race Engineering lleva años entre los líderes tecnológicos del motorsport. El conocimiento combinado de las categorías de alto nivel se traslada directamente al desarrollo de los embragues de competición RCS. Métodos de fabricación de última generación, los máximos estándares de calidad y tecnologías de competición hacen de los embragues ZF Motorsport la primera elección para obtener el máximo rendimiento y fiabilidad - en circuito, así como en rally, turismos y resistencia.
Aplicaciones
Europa
Blancpain Endurance/Sprint (GTWC Europe),
24h Spa, ELMS (GTC/GT3), FIA GT3, ADAC GT Masters, British GT, etc.
Norteamérica
Pirelli World Challenge (GTWC America),
ecosistema IMSA/Grand-Am, eventos GT3 históricos y de club.
Asia/Pacífico
GT Asia Series, Asian Le Mans (GTC),
Australian GT, endurances regionales 12h/24h (p. ej., Sepang, Dubai, Bathurst).
Socios de ZF Race Engineering







Descripción
Fabricante