Description
Fabricant
Marqueurs de produit
Conçu pour faire
la différence
Depuis des décennies, les embrayages de compétition SACHS de ZF Race Engineering incarnent la qualité de référence en sport auto. L'ambition : amélioration continue et volonté de repousser les limites. De l'embrayage le plus léger en Formule 1 aux systèmes bi-disque et multi-disques éprouvés en WRC, DTM, NASCAR, Le Mans ou au Rallye Dakar - la technologie ZF Motorsport fait partie intégrante de nombreux voitures victorieuses dans le monde.
Embrayage de compétition SACHS
Pagani Huayra R
Métal fritté 3,4 mm – spécifique au Huayra R
Pour l’hypercar de piste Pagani Huayra R (depuis 2021) : l’embrayage SACHS RCS 3/140 S3.4 utilise un diamètre de friction compact de Ø 140 mm et trois disques pour des fenêtres de passage très courtes et des montées/baisses de régime ultra rapides – parfaitement accordé au V12-R haut-régime (6,0 l, jusqu’à 9 000 tr/min) et à la transaxle 6 rapports dog-ring du Huayra R.
Les garnitures frittées 3,4 mm privilégient une masse en rotation minimale et une évacuation thermique rapide. Résultat : réponse spontanée au départ, égalisation rapide des régimes et point de morsure constant – endurant même à haute température de disque sur piste.
Le carter d’embrayage en aluminium forgé offre une grande rigidité pour un faible poids et favorise la dissipation de chaleur ; des plateaux de pression et intermédiaires en acier haute résistance garantissent la tenue au départ et la durabilité sur de longs relais Arte-in-Pista.

Avantages
léger
hauteur de construction plus faible
faible masse et inertie
masse plus faible
L'un des plus grands atouts de l'embrayage "RCS-Sinter" est sa faible masse et la faible inertie de masse qui en découle.
Les embrayages SACHS RCS Motorsport sont conçus pour avoir la masse la plus faible possible et poursuivent l'objectif de transmettre le couple du moteur le plus rapidement et le plus directement possible à la boîte de vitesses.
Grâce à des mesures d'allègement du mécanisme de vilebrequin qui réduisent le moment d'inertie, le comportement d'accélération du véhicule augmente nettement dans les rapports inférieurs.

Accélération plus rapide
Si, par exemple, l'embrayage a un moment d'inertie (Mtm) de 0,061 kgm2 , celui-ci agit sur la roue motrice avec une valeur 180 fois supérieure (13,42) pour un rapport de transmission de 13,4:1 (rapport de 1re vitesse). Si l'on convertit le Mtm en masse du véhicule, cela donne en 1ère vitesse un poids supplémentaire d'environ 145 kg qu'il faut accélérer.
En raison de la faible inertie de masse de l'embrayage SACHS RCS, il est possible de réduire considérablement les temps de changement de vitesse ainsi que d'accélérer plus rapidement votre véhicule.





La technologie
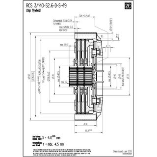
Données techniques RCS 3/140
-
Véhicule :
Pagani Huayra R (à partir de 2021, piste uniquement) - Couple moteur maximal [Nm] : 1 067
- Diamètre de débrayage [mm] : 38
- Force de débrayage [N] : 4 200
- Course de débrayage [mm] : 4,5 + 0,5
- Masse [kg] : 3,07
- Moment d’inertie [kg·m²] : 0,009450
Carter d’embrayage
Aluminium forgé haute résistance : rigidité élevée et poids contenu. La géométrie favorise l’évacuation de la chaleur et stabilise la fenêtre thermique du pack d’embrayage ; la finition résistante limite le fretting et l’usure d’ajustement.
Garniture de friction
Le métal fritté assure une haute tenue en température et une friction stable en usage à sec. L’épaisseur 3,4 mm minimise l’inertie des disques et favorise des temps de passage très courts.
Profil de moyeu (cannelures)
Strictement spécifique véhicule : cette RCS 3/140 S3.4 est livrée avec le profil de moyeu correct pour la Pagani Huayra R – adapté à l’arbre primaire de la transaxle HWA à 6 rapports dog-ring, pour un ajustement précis, un transfert de couple fiable et une durabilité maximale.
Contenu de la livraison
Carter RCS 140 (HA140), aluminium
1 × Plateau de pression RCS 140 (PP140), acier
2 × Plateau intermédiaire RCS 140 (IP140), acier
3 × Disque d’embrayage RCS 140, fritté 3.4
Qualité Made in Germany
ZF Race Engineering compte depuis des années parmi les leaders technologiques du sport automobile. Le savoir-faire réuni du sport de haut niveau s'intègre directement dans le développement des embrayages de compétition RCS. Des méthodes de fabrication de pointe, des normes de qualité les plus élevées et des technologies issues du sport automobile font des embrayages ZF Motorsport le premier choix pour une performance et une fiabilité maximales - sur circuit ainsi qu'en rallye, tourisme et endurance.
Applications
Europe
Pagani Arte in Pista – événements piste exclusifs pour Huayra R / R Evo / Zonda R (Monza, Nürburgring, Spa, etc.), plus démonstrations lors d’événements sélectionnés.
Amériques
Événements clients Arte-in-Pista et track-days VIP en Amérique du Nord – pas de participation à des championnats GT.
Asie / Pacifique
Événements Arte-in-Pista ponctuels et track-days sur invitation ; voiture exclusivement piste, aucune série FIA homologuée.
Partenaires de ZF Race Engineering

French

