Beskrivning
Tillverkare
Produkttaggar
Designad för att göra
skillnad
SACHS motorsportkopplingar från ZF Race Engineering har i decennier stått för högsta kvalitet inom internationell racing. Ambitionen: ständig förbättring och att flytta gränserna. Från den lättaste kopplingen i Formel 1 till beprövade tvåskiviga och flerskiviga system i WRC, DTM, NASCAR, Le Mans och Dakar Rally - ZF Motorsport-teknik är en nyckel i otaliga vinnarbilar världen över.
SACHS racingkoppling
Pagani Huayra R
Sintermetall 3,4 mm – fordonsanpassad för Huayra R
För Pagani Huayra R (från 2021): SACHS RCS 3/140 S3.4 använder kompakt friktionsdiameter Ø 140 mm och tre skivor för korta växelfönster och mycket snabba varvtalsändringar – perfekt för den högvarviga V12-R (6,0 l, upp till 9 000 min-1) och den 6-växlade dog-ring-transaxeln.
3,4 mm sinterbelägg prioriterar låg roterande massa och snabb värmeavledning. Resultat: spontant ingrepp, snabb varvmatchning och tydlig, konsekvent bettpunkt – tåligt även vid höga skivtemperaturer på bana.
Smidd aluminiumkåpa ger hög styvhet vid låg vikt och stödjer värmeavledning; tryck- och mellanplattor i höghållfast stål säkrar start- och uthållighetsstyrka under långa Arte-in-Pista-stinter.

Fördelar
lätt
låg höjd
låg massa och tröghet
Mindre massa
En av de största styrkorna hos "RCS-Sinter"-kopplingen är den låga massan och den därmed sammanhängande låga trögheten.
SACHS RCS-motorsportskopplingar är konstruerade för minsta möjliga massa och strävar efter att leda vidare motorns vridmoment till transmissionen så snabbt och direkt som möjligt.
Med åtgärder för reducering av massan hos vevaxeln, vilket minskar tröghetsmomentet, förbättras accelerationsbeteendet hos fordonet betydligt i de lägre växlarna.

Snabbare acceleration
Om exempelvis kopplingen har ett masströghetsmoment på 0,061 kgm2, så påverkar detta vid en utväxling av 13,4:1 (utväxlingsförhållande i första växeln) på drivhjulet med 180-faldiga beloppet (13,42). Räknar man om masströghetsmomentet till fordonsmassa, så ger detta i första växeln en tilläggsvikt på ca. 145 kg som måste accelereras.
Den låga masströgheten hos SACHS RCS-kopplingen ger en betydande förkortning av växlingstider samt en snabbare acceleration av fordonet.





Tekniken
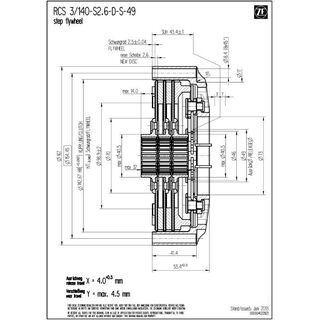
Tekniska data RCS 3/140
-
Fordon:
Pagani Huayra R (från 2021, endast bana) - Max motormoment [Nm] : 1 067
- Urkopplingsdiameter [mm] : 38
- Urkopplingskraft [N] : 4 200
- Urkopplingsväg [mm] : 4,5 + 0,5
- Massa (vikt) [kg] : 3,07
- Tröghetsmoment [kg·m²] : 0,009450
Kopplingskåpa (hus)
Smitt aluminium med hög hållfasthet – maximal styvhet vid låg vikt; geometri som gynnar värmeavledning och stabil temperatur; slitstark yta minskar passningsslitage.
Friktionsbelägg
Sintermetall ger hög temperaturtålighet och stabil friktion. 3,4 mm minimerar skivornas tröghet och gynnar korta växeltider.
Navprofil (splines)
Strikt fordonsanpassad: denna RCS 3/140 S3.4 levereras med korrekt splineprofil för Pagani Huayra R – matchad mot ingående axel i HWA:s 6-växlade dog-ring-transaxel för precision, säker momentöverföring och maximal hållbarhet.
Leveransinnehåll
RCS 140 kopplingskåpa (HA140), aluminium
1 × RCS 140 tryckplatta (PP140), stål
2 × RCS 140 mellanplatta (IP140), stål
3 × RCS 140 kopplingsskiva, sinter 3.4
Kvalitet Made in Germany
ZF Race Engineering har i många år varit bland teknikledarna inom motorsport. Den samlade kunskapen från toppklasserna går direkt in i utvecklingen av RCS racingkopplingar. Modern tillverkning, högsta kvalitetskrav och motorsportteknik gör ZF Motorsport-kopplingar till förstahandsvalet för maximal prestanda och tillförlitlighet - på bana liksom inom rally, touring och endurance.
Användningsområden
Europa
Pagani Arte in Pista – exklusiva bankörningsevent för Huayra R / R Evo / Zonda R (Monza, Nürburgring, Spa) och utvalda demokörningar.
Amerika
Arte-in-Pista-kundevent och VIP-trackdays i Nordamerika – inget deltagande i GT-serier.
Asien / Stillahavet
Enstaka Arte-in-Pista-evenemang och inbjudna trackdays; ren banbil, ingen FIA-serie.
Partners till ZF Race Engineering

Swedish


