Descrizione
Produttore
Tag sui prodotti
Progettato per fare la
differenza
Da decenni le frizioni da competizione SACHS di ZF Race Engineering rappresentano la massima qualità nel motorsport internazionale. L'obiettivo: miglioramento continuo e volontà di spingere sempre più in là i limiti. Dalla frizione più leggera usata in Formula 1 ai sistemi bi-disco e multidisco collaudati in WRC, DTM, NASCAR, Le Mans e Rally Dakar - la tecnologia ZF Motorsport è parte integrante di molte vetture vincenti nel mondo.
Frizione da competizione SACHS
Pagani Huayra R
Metallo sinterizzato 3,4 mm – specifica per Huayra R
Per la Pagani Huayra R (dal 2021): la SACHS RCS 3/140 S3.4 adotta il diametro d’attrito compatto Ø 140 mm e tre dischi per finestre di cambiata brevi e rapidissimi cambi di regime – perfetta per il V12-R ad alto regime (6,0 l, fino a 9.000 giri/min) e la transaxle dog-ring a 6 marce della Huayra R.
Le guarnizioni sinterizzate da 3,4 mm privilegiano massa rotante minima e rapida dissipazione del calore. Risultato: risposta pronta, rapido allineamento dei giri e punto di attacco costante – resistente anche a temperature disco elevate in pista.
La campana in alluminio forgiato garantisce elevata rigidità con peso ridotto e favorisce la dispersione termica; piatto pressione e piastre intermedie in acciaio altoresistenziale assicurano resistenza allo start e durata nei lunghi stint Arte-in-Pista.

Vantaggi
leggero
altezza ridotta
bassa massa e inerzia
Massa ridotta
Uno dei maggiori punti di forza della frizione "RCS-Sinter" è la sua massa ridotta e la relativa inerzia.
Le frizioni sportive RCS SACHS sono progettate per una massa molto bassa e perseguono l'obiettivo di trasmettere alla trazione la coppia del motore il più velocemente e direttamente possibile.
Facilitando le misure per l'albero motore che riducono il momento d'inerzia, aumenta in modo significativo l'accelerazione della vettura con le marce basse.

Accelerazione più veloce
Se, per esempio, la frizione ha un momento d'inerzia (MOI) di 0,061 kgm2, questo produce un rapporto di trasmissione di 13,4: 1 (rapporto nella 1 marcia) sulla ruota motrice con l'aumento di 180 volte (13,42). Calcolando il MoI come massa del veicolo, questo si traduce nella 1 marcia in un peso supplementare di circa 145 kg da accelerare.
A causa della bassa inerzia della frizione RCS SACHS si produce una riduzione sostanziale dei tempi di cambio e una maggiore accelerazione del veicolo.





Tecnologia
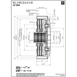
Dati tecnici RCS 3/140
-
Veicolo:
Pagani Huayra R (dal 2021, solo pista) - Coppia motore massima [Nm] : 1.067
- Diametro di disinnesto [mm] : 38
- Forza di disinnesto [N] : 4.200
- Corsa di disinnesto [mm] : 4,5 + 0,5
- Massa (peso) [kg] : 3,07
- Momento d’inerzia [kg·m²] : 0,009450
Campana frizione (carcassa)
Alluminio forgiato ad alta resistenza: massima rigidità e basso peso; la geometria favorisce la dissipazione del calore e stabilizza la finestra termica del pacco frizione; finitura anti-usura per lunga durata.
Rivestimento d’attrito
Il metallo sinterizzato assicura elevata resistenza termica e attrito stabile. Lo spessore 3,4 mm riduce l’inerzia delle dischi e favorisce tempi di cambiata contenuti.
Profilo scanalato del mozzo
Strettamente specifica per veicolo: questa RCS 3/140 S3.4 è fornita con lo scanalato corretto per la Pagani Huayra R – accoppiata all’albero primario della transaxle HWA dog-ring a 6 marce per precisione, trasferimento di coppia affidabile e massima durata.
Fornitura
Campana RCS 140 (HA140), alluminio
1 × Piatto pressione RCS 140 (PP140), acciaio
2 × Piastra intermedia RCS 140 (IP140), acciaio
3 × Disco frizione RCS 140, sinter 3.4
Qualità Made in Germany
ZF Race Engineering è da anni tra i leader tecnologici del motorsport. Il know-how riunito dalle massime categorie confluisce direttamente nello sviluppo delle frizioni da competizione RCS. Metodi produttivi all'avanguardia, i più elevati standard di qualità e tecnologie del motorsport rendono le frizioni ZF Motorsport la prima scelta per massime prestazioni e affidabilità - in pista come nel rally, nelle competizioni turismo e nell'endurance.
Applicazioni
Europa
Pagani Arte in Pista – eventi pista esclusivi per Huayra R / R Evo / Zonda R (es. Monza, Nürburgring, Spa) e demo run selezionati.
Americhe
Eventi clienti Arte-in-Pista e track day VIP in Nord America – nessuna partecipazione a serie GT.
Asia / Pacifico
Eventi Arte-in-Pista selezionati e track day su invito; vettura solo pista, nessuna serie FIA omologata.
Partner di ZF Race Engineering

Italian

