Ontworpen om het
verschil te maken
SACHS motorsport-koppelingen van ZF Race Engineering staan al decennialang voor topkwaliteit in de autosport. De ambitie: continu verbeteren en de grenzen blijven verleggen. Van de lichtste F1-koppeling tot beproefde dubbelplaat- en multiplaten-systemen in WRC, DTM, NASCAR, Le Mans en de Dakar Rally - ZF Motorsport-technologie is een vaste factor in talloze winnende auto's wereldwijd.
SACHS Racekoppeling
RCS 3/140 S3.4
Sinter 3,4 mm, starre uitvoering
Compact en toerenlustig: de drieplaats SACHS RCS 3/140 S3.4 benut de kleine diameter van 140 mm voor een laag massatraagheidsmoment en korte schakelfensters - merkbaar snellere toerenopbouw, minder sleepkoppel en precieze modulatie bij wegrijden en opschakelen. Voordelig op krappe circuits en in formuleseries, circuit- en toerwagen-setups met beperkte inbouwruimte.
De 3,4 mm sinter-voering is gericht op belastbaarheid en consistentie: meer warmtecapaçiteit en slijtagemarge dan 2,6 mm, tegelijker tijd levendiger met snellere temperatuur-reset dan 5,2 mm sinterpads. Het aangrijpingspunt blijft stabiel over lange stints, het aangrijpen is reproduceerbaar - ook bij hoge schijftemperaturen.
In deze uitvoering draagt de RCS 3/140 S3.4 tot 1.430 Nm maximaal motorkoppel over - de drieplaats-configuratie verdeelt wrijvingsarbeid en temperatuur over meerdere contactvlakken en verhoogt zo de koppelcapaciteit bij compacte bouwhoogte. Gesmeed aluminium koppelingshuis voor hoge stijfheid bij laag gewicht, druk- en tussenplaten van hoogvast staal voor start- en duursterkte.

Voordelen
licht
lage constructiehoogte
lage massa en massatraagheid
Lagere massa
Een van de sterkste punten van de "RCS-Sinter" koppeling is de lage massa en de daarmee gepaard gaande lage massatraagheid.
De SACHS RCS motorsport-koppelingen zijn ontworpen voor een zo laag mogelijke massa. Het doel ervan is het koppel van de motor zo snel en rechtstreeks mogelijk op de transmissie door te geven.
Door maatregelen die de transmissie vergemakkelijken, en het massatraagheidsmoment reduceren, kan het voertuig in de laagste versnellingen duidelijk beter versnellen.

Snellere acceleratie
Als de koppeling bijvoorbeeld een massatraagheidmoment (Mtm) van 0,061 kg m2 heeft, dan werkt dit bij een transmissieoverdracht van 13,4:1 (overbrengingsverhouding 1e versnelling) op het aandrijfwiel met een 180-voudige werking (13,42). Als het Mtm in voertuigmassa wordt omgerekend, resulteert dit in de 1e versnelling in een extra gewicht van ongeveer 145 kg, die moeten worden geaccelereerd.
Vanwege de lage massatraagheid van de SACHS RCS-koppeling, wordt een wezenlijke verkorting van de schakeltijden en een snellere acceleratie van uw voertuig mogelijk.





De techniek
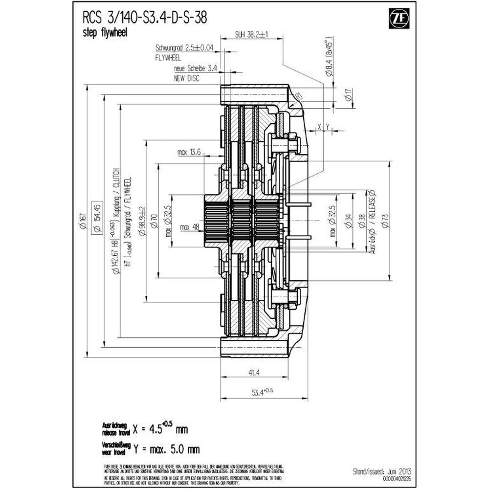
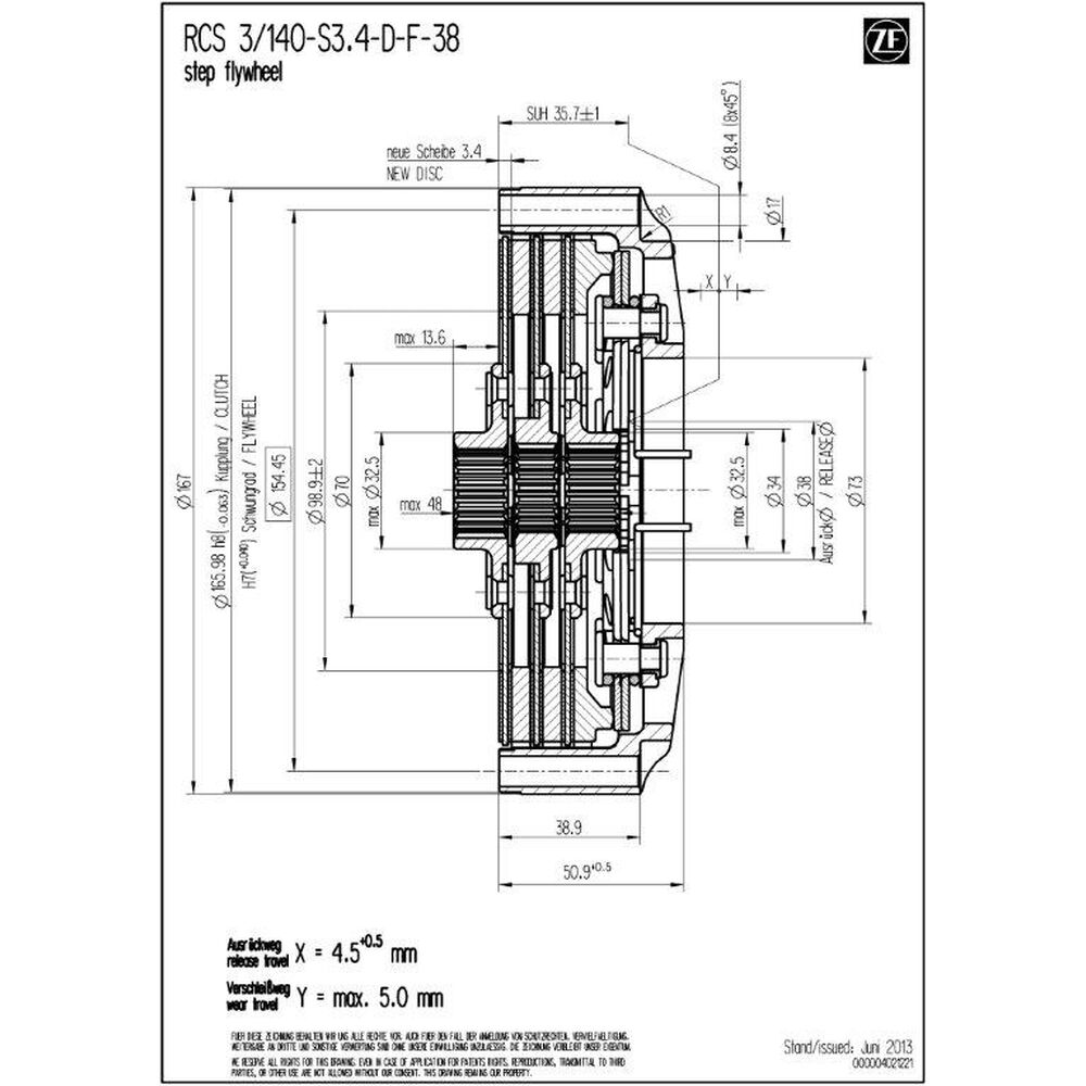
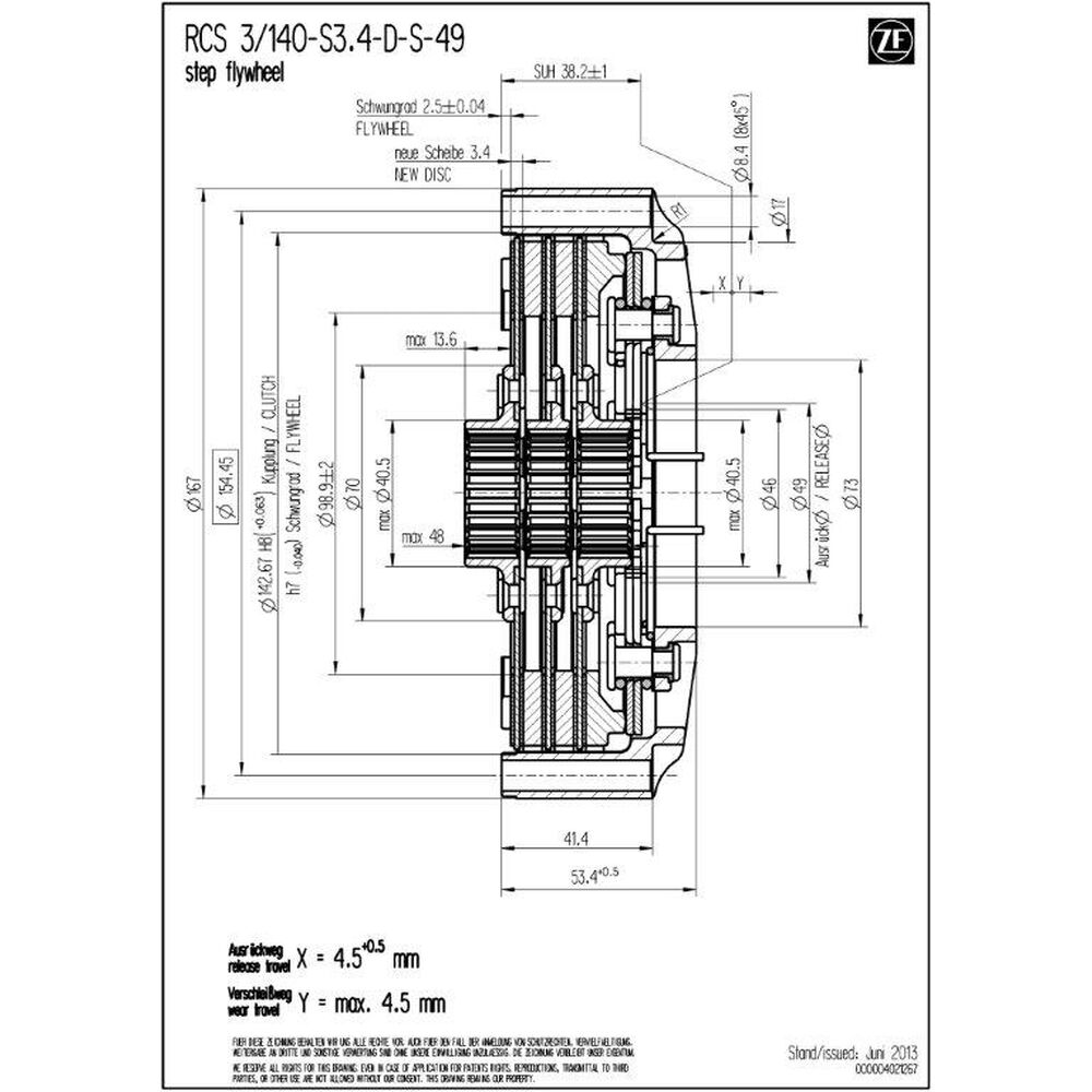
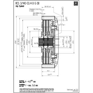
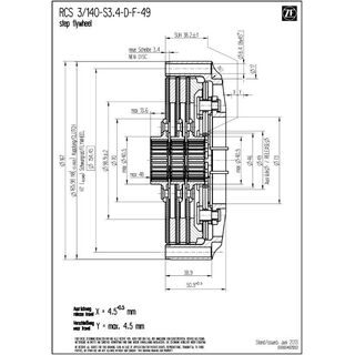
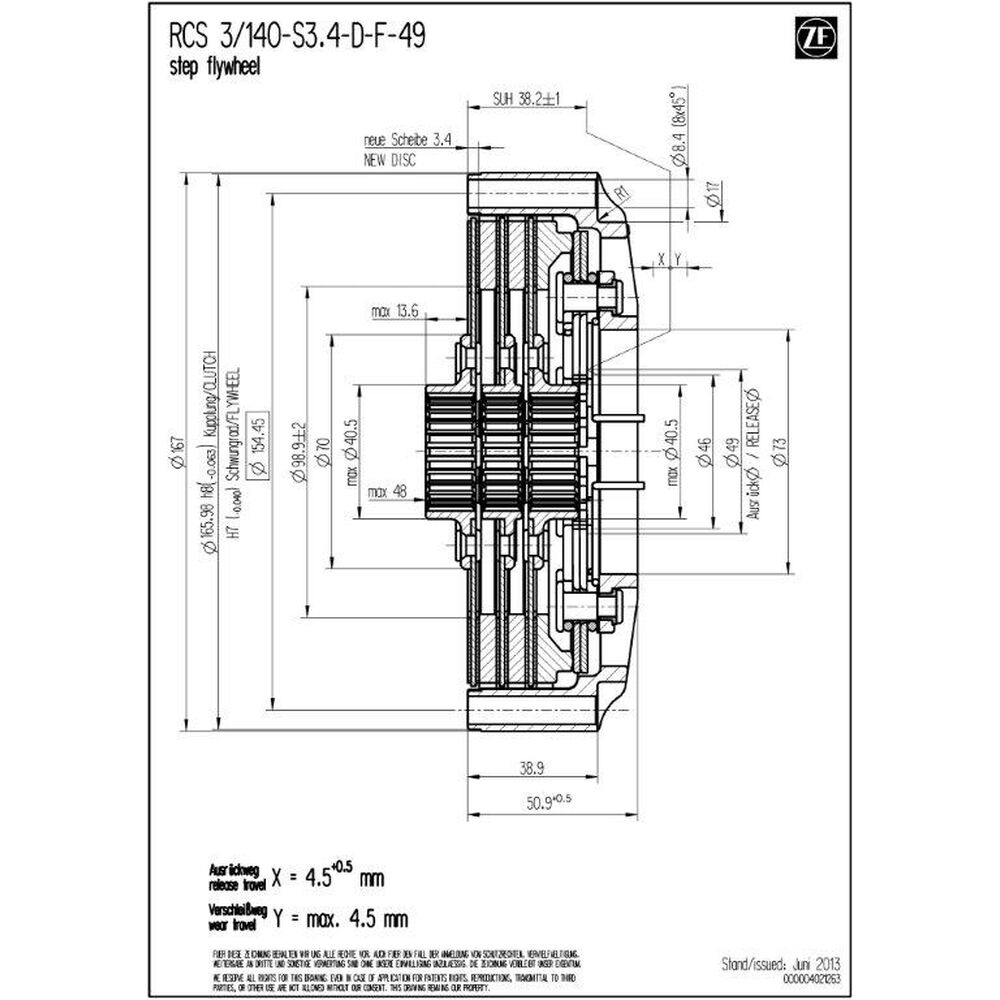
Technische gegevens RCS 3/140:
- Maximaal motorkoppel [Nm] : 1.430
- Ontkoppelingsdiameter [mm] : 49 / 38
- Ontkoppelingskracht [N] : 4.900 / 4.200 (⌀ 38)
- Ontkoppelingsweg [mm] : 4.0 +0.5 / 4.5 +0.5
- Massa (gewicht) [kg] : 2.94 / 3.01 (⌀ 38)
- Massatraagheid [kgm2] : 0.009221 / 0.009230
Koppelingshuis
De RCS 140 koppelingshuis is van hoogvast gesmeed aluminium. De geometrie bevordert warmteafvoer en stabiliseert het temperatuurbereik van het koppelingspakket; een slijtvaste hardcoating vermindert wrijving en passing-slijtage en verhoogt de levensduur.
Koppelingsvoering - sinter
Sinter-voeringen bieden hoge temperatuurbestendigheid, zeer goede warmtegeleiding en fadebestendigheid - ideaal voor droge hooglasttoepassingen. De dikte van 3,4 mm levert een beproefd compromis van warmtereserve, levensduur en lage roterende massa - perfect voor frequente lastwissels en korte pitstops.
SACHS RCS naaf
De RCS 3/140 S3.4 is leverbaar met verschillende naafprofielen die exact passen op de ingaande versnellingsbakas. Naaflengtes (kort, medium, lang) maken optimale inbouw en correcte bediening mogelijk. Het modulaire RCS 140-systeem maakt nauwkeurige afstemming op performance, thermische robuustheid en levensduur mogelijk. Standaarduitvoering van de RCS 4/140 koppeling (tenzij anders gespecificeerd): lang-medium-lang.
Leveromvang
RCS 140 koppelingshuis (HA140), aluminium
1x RCS 140 drukplaat (PP140), staal
2x RCS 140 tussenplaat (IP140), staal
3x RCS 140 koppelingsplaat, sinter 3.4
Naaflengte: lang-medium-lang
Kwaliteit Made in Germany
ZF Race Engineering behoort al jaren tot de technologische koplopers in de autosport. De gebundelde knowhow uit de topklassen stroomt rechtstreeks door in de ontwikkeling van RCS racekoppelingen. Moderne productiemethoden, de hoogste kwaliteitsnormen en motorsporttechnologieën maken ZF Motorsport-koppelingen tot de eerste keuze voor maximale performance en betrouwbaarheid - op het circuit evenals in rally, toerwagens en endurance.
Toepassingen
CIRCUIT / TOERWAGEN
Super GT, ELMS,
DTM, STCC, NLS, TCR, GT World Challenge etc.
FORMULE
Formula Ford,
Formula 3, Formula 4 etc. (RCS115/140)
RALLY
GT2 European Series,
WRC, ELMS, DRM, BRC, FRC etc.
Installatie-instructies:
Aangezien SACHS RCS-koppelingen niet specifiek voor een voertuig zijn ontwikkeld, maar voertuigonafhankelijk zijn, moet het voertuig worden aangepast aan de koppeling (zie PDF-documenten hierboven). De contour van het vliegwiel, de positie, de slag en de vorm van het ontkoppelingsmechanisme en de maximaal beschikbare inbouwruimte moeten worden gecontroleerd en indien nodig aangepast.
Vereiste informatie:
Bij het bestellen van uw SACHS RCS-koppeling moet het vereiste profiel van de transmissie-ingangsas worden opgegeven. De verschillende aangeboden profielen staan vermeld onder "naafprofiel". Als u vragen hebt over het product, aarzel dan niet om contact met ons op te nemen via E-Mail of telefonisch op +49 (0)40 / 3999 211.
Partners van ZF Race Engineering







Beschrijving
PDF Documents
Producent
