Designad för att göra
skillnad
SACHS motorsportkopplingar från ZF Race Engineering har i decennier stått för högsta kvalitet inom internationell racing. Ambitionen: ständig förbättring och att flytta gränserna. Från den lättaste kopplingen i Formel 1 till beprövade tvåskiviga och flerskiviga system i WRC, DTM, NASCAR, Le Mans och Dakar Rally - ZF Motorsport-teknik är en nyckel i otaliga vinnarbilar världen över.
SACHS Racingkoppling
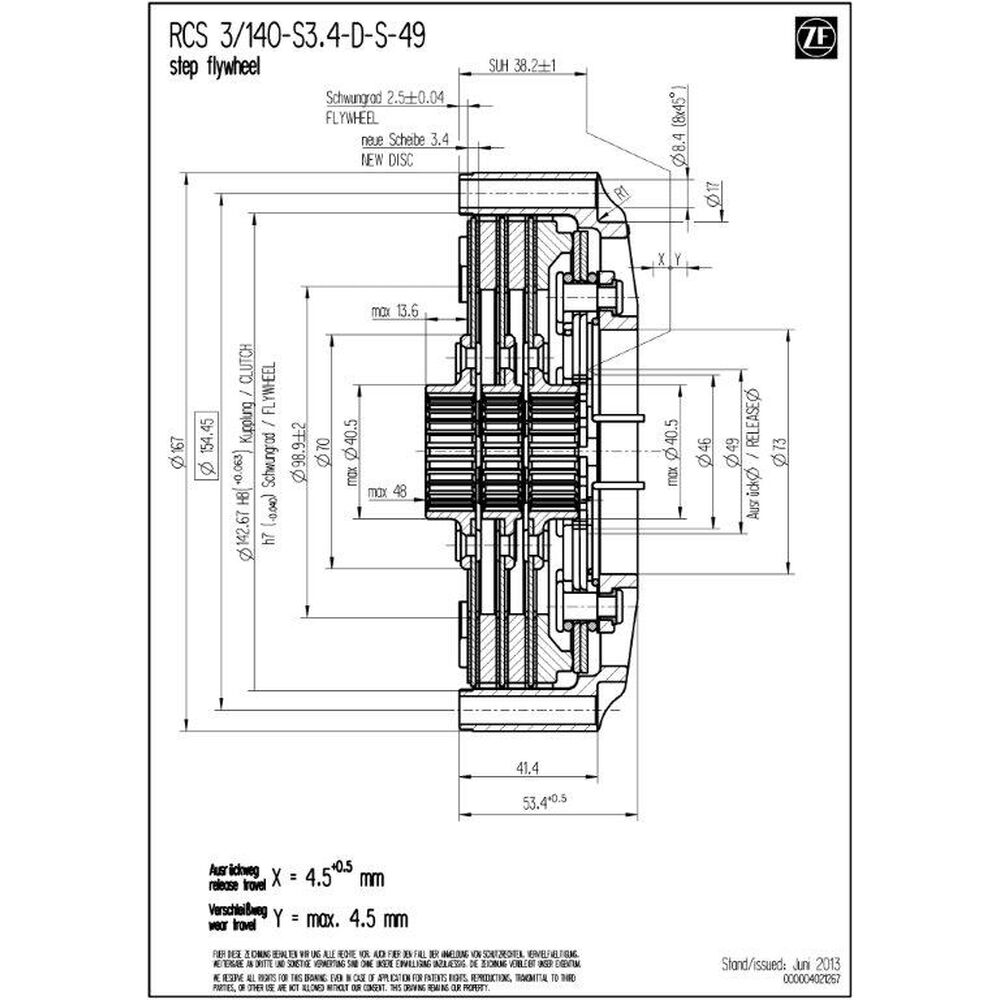
RCS 3/140 S3.4
Sinter 3,4 mm, styv utförande
Kompakt och varvvillig: den trippelplattade SACHS RCS 3/140 S3.4 utnyttjar den lilla diametern 140 mm för lågt tröghetsmoment och korta växelfönster - snabbare varvuppbyggnad, lägre släpmoment och exakt modulering vid start och växling. Fördelaktig på trånga banor och i formelserier samt bana- och touringupplägg med begränsat utrymme.
Sinterbeläggning 3,4 mm fokuserar på belastningstålighet och konsistens: större värmekapacitet och slitagemarginal än 2,6 mm, samtidigt mer alert med snabbare temperaturåtergång än 5,2 mm sinterplattor. Ingreppspunkten förblir stabil under långa stints, inkopplingen är reproducerbar - även vid hög skivtemperatur.
I denna specifikation överför RCS 3/140 S3.4 upp till 1.430 Nm max motormoment - trippelkonfigurationen fördelar friktionsarbete och temperatur över flera kontaktytor och höjer därmed momentkapaciteten med kompakt bygghöjd. Smidd kopplingskåpa i aluminium ger hög styvhet vid låg massa, tryck- och mellanplattor i höghållfast stål säkrar start- och uthållighetsstyrka.

Fördelar
lätt
låg höjd
låg massa och tröghet
Mindre massa
En av de största styrkorna hos "RCS-Sinter"-kopplingen är den låga massan och den därmed sammanhängande låga trögheten.
SACHS RCS-motorsportskopplingar är konstruerade för minsta möjliga massa och strävar efter att leda vidare motorns vridmoment till transmissionen så snabbt och direkt som möjligt.
Med åtgärder för reducering av massan hos vevaxeln, vilket minskar tröghetsmomentet, förbättras accelerationsbeteendet hos fordonet betydligt i de lägre växlarna.

Snabbare acceleration
Om exempelvis kopplingen har ett masströghetsmoment på 0,061 kgm2, så påverkar detta vid en utväxling av 13,4:1 (utväxlingsförhållande i första växeln) på drivhjulet med 180-faldiga beloppet (13,42). Räknar man om masströghetsmomentet till fordonsmassa, så ger detta i första växeln en tilläggsvikt på ca. 145 kg som måste accelereras.
Den låga masströgheten hos SACHS RCS-kopplingen ger en betydande förkortning av växlingstider samt en snabbare acceleration av fordonet.





Tekniken
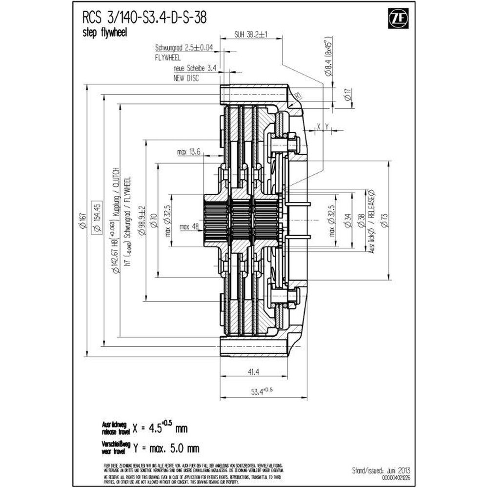
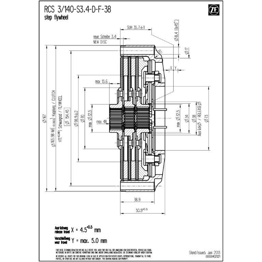
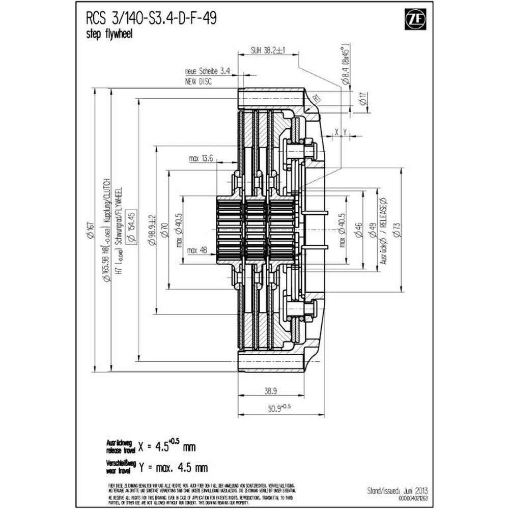
Tekniska data RCS 3/140:
- Max motormoment [Nm] : 1.430
- Urkopplingsdiameter [mm] : 49 / 38
- Urkopplingskraft [N] : 4.900 / 4.200 (⌀ 38)
- Urkopplingsväg [mm] : 4.0 +0.5 / 4.5 +0.5
- Massa (vikt) [kg] : 2.94 / 3.01 (⌀ 38)
- Tröghetsmoment [kgm2] : 0.009221 / 0.009230
Kopplingskåpa
RCS 140-kåpan är tillverkad av höghållfast smitt aluminium. Geometrin främjar värmeavledning och stabiliserar kopplingspaketets temperaturfönster; en slitstark hardcoating minskar friktion och passningsslitage och förlänger livslängden.
Belägg - sinter
Sinterbeläggning ger hög temperaturtålighet, mycket god värmeledning och fadingresistens - idealiskt för torra höglastapplikationer. Tjockleken 3,4 mm ger en beprövad kompromiss mellan värmebuffert, livslängd och låg roterande massa - perfekt för frekventa lastskiften och korta depåstopp.
SACHS RCS nav
RCS 3/140 S3.4 finns med olika navsplines, exakt anpassade till växellådans ingående axel. Navlängder (kort, medium, lång) möjliggör optimal inbyggnad och korrekt aktivering. Det modulära RCS 140-systemet möjliggör exakt matchning för prestanda, termisk robusthet och livslängd. Standardutförande av RCS 4/140-kopplingen (om inte annat anges): lång-medium-lång.
Leveransinnehåll
RCS 140 kopplingskåpa (HA140), aluminium
1x RCS 140 tryckplatta (PP140), stål
2x RCS 140 mellanplatta (IP140), stål
3x RCS 140 kopplingsskiva, sinter 3.4
Navlängd: lång-medium-lång
Kvalitet Made in Germany
ZF Race Engineering har i många år varit bland teknikledarna inom motorsport. Den samlade kunskapen från toppklasserna går direkt in i utvecklingen av RCS racingkopplingar. Modern tillverkning, högsta kvalitetskrav och motorsportteknik gör ZF Motorsport-kopplingar till förstahandsvalet för maximal prestanda och tillförlitlighet - på bana liksom inom rally, touring och endurance.
Användningsområden
BANA / TOURING
Super GT, ELMS,
DTM, STCC, NLS, TCR, GT World Challenge etc.
FORMEL
Formula Ford,
Formula 3, Formula 4 etc. (RCS115/140)
RALLY
GT2 European Series,
WRC, ELMS, DRM, BRC, FRC etc.
Monteringsanvisningar:
Eftersom SACHS RCS-kopplingar inte har utvecklats specifikt för ett fordon, utan är fordonsoberoende, måste fordonet anpassas till kopplingen (se PDF-dokument ovan). Svänghjulets kontur, positionen, slaglängden och formen på utlösningsmekanismen samt det maximalt tillgängliga monteringsutrymmet måste kontrolleras och anpassas vid behov.
Obligatorisk information:
När du beställer din SACHS RCS-koppling måste du ange vilken profil som krävs för transmissionens ingående axel. De olika profilerna som erbjuds finns listade under "navprofil". Om du har några frågor om produkten är du välkommen att kontakta oss via E-Post eller per telefon +49 (0)40 / 3999 211.
Partners till ZF Race Engineering







Beskrivning
PDF-Dokumente
Tillverkare
