```html
Kupplungsgehäuse SACHS RCS 140
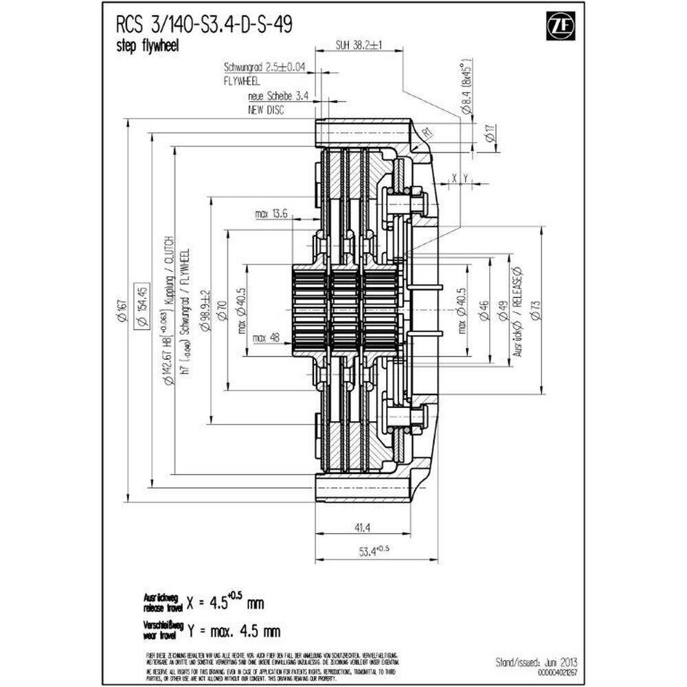
Kupplungsgehäuse für kompakte SACHS RCS-140 Motorsportkupplungen
Kompakt, leicht und präzise: Das SACHS RCS 140 Kupplungsgehäuse ist die zentrale Trägerstruktur des modularen Racing Clutch System von ZF Motorsport und wurde für hochdrehende, gewichtsoptimierte Motorsportkupplungen mit sehr kurzer Bauform entwickelt.
Die RCS-140 Ausführung eignet sich für anspruchsvolle Rennsportanwendungen, bei denen geringes Massenträgheitsmoment, schnelle Schaltvorgänge, hohe Temperaturstabilität und eine präzise Bauteilführung entscheidend sind.

Ausführungen
System: SACHS RCS 140 Mehrscheiben-Motorsportkupplung
Konfiguration: für 1-, 2-, 3- und 4-Scheiben-Versionen
Ausrückdurchmesser: 38 mm und 49 mm
Reibmaterialien: Carbon und Sintermetall
Hinweis: Das Kupplungsgehäuse ist baureihenspezifisch mit freigegebenen RCS-140 Anpressplatten, Zwischenplatten und Kupplungsscheiben zu kombinieren. Auswahl nach Scheibenanzahl, Ausrückdurchmesser, Reibmaterial und Einsatzprofil treffen.
Vorteile
Kompakte 140-mm-Bauweise für besonders leichte und drehfreudige Motorsportkupplungen
Verfügbar für 1-, 2-, 3- und 4-Scheiben-Kupplungen im modularen SACHS RCS System
Ausrückdurchmesser 38 mm und 49 mm für unterschiedliche Betätigungskonzepte
Ausgelegt für Sintermetall- und Carbon-Reibmaterialien im professionellen Motorsport
Geringes Massenträgheitsmoment für spontanes Ansprechverhalten und schnelle Gangwechsel
Hohe Gehäusesteifigkeit für exaktes Dosierverhalten und präzise Bauteilführung
Unterstützt eine präzise definierte Anpresskraft für wiederholbare Drehmomentübertragung
Motorsportspezifische Geometrie für effiziente Wärmeabfuhr und stabile Performance im Rennbetrieb




Technik
Kupplungsgehäuse RCS 140
Funktion: Das Kupplungsgehäuse nimmt Anpressplatte, Zwischenplatten und Kupplungsscheiben auf, führt die Bauteile präzise und überträgt die Drehmomente innerhalb des modularen RCS-Systems. Die hohe Gehäusesteifigkeit unterstützt ein definiertes Dosierverhalten, eine stabile Bauteilpositionierung und reproduzierbare Schaltvorgänge.
Aufbau: Hochfestes Aluminium mit baureihenspezifischer RCS-140 Geometrie. Die kompakte Konstruktion reduziert rotierende Masse und Massenträgheitsmoment und ermöglicht eine verwindungssteife, präzise geführte Baugruppe für leistungsorientierte Motorsportanwendungen.
Anpresskraft: In Kombination mit Anpressplatte, Tellerfeder, Zwischenplatten und Kupplungsscheiben trägt das Kupplungsgehäuse zu einer präzise definierten Anpresskraft bei. Dadurch wird eine wiederholbare Drehmomentübertragung und ein konstantes Einkuppelverhalten im Motorsportbetrieb unterstützt.
Ausrücksystem: Die RCS-140 Ausführung ist für Ausrückdurchmesser von 38 mm und 49 mm verfügbar. Dadurch lässt sich das Kupplungsgehäuse passend zum jeweiligen Ausrücklager, Zentralausrücker und Betätigungssystem konfigurieren.
Reibmaterialien: Das SACHS RCS 140 Kupplungsgehäuse ist für Sintermetall- und Carbon-Belagarten ausgelegt. Je nach Einsatzprofil ermöglicht die Kombination aus Gehäuse, Anpressplatte, Zwischenplatten und Kupplungsscheiben eine hohe thermische Belastbarkeit, schnelle Reaktion und stabile Drehmomentübertragung.
Thermik: Die spezielle Gehäusegeometrie unterstützt eine effiziente Wärmeabfuhr und stabilisiert das Temperaturfenster des Kupplungspakets – besonders wichtig bei kurzen Schaltfenstern, hohen Drehzahlen und wiederholter thermischer Belastung.
Einbauhinweise
Montage & Schwungrad
Schwungradkontur: Für den Einsatz der SACHS RCS 140 Motorsportkupplung ist die Schwungradkontur zu prüfen. Eine präzise Bearbeitung des Schwungrads ist Voraussetzung für Funktion, Planlauf und dauerhafte Performance der Kupplung.
Befestigung: Zur Befestigung der Kupplung werden M8-Schrauben der Festigkeitsklasse mindestens 10.9 mit Innensechskant und Unterlegscheiben empfohlen. Das Anzugsmoment liegt bei 25 Nm.
Revision: Gehäuseführungen, Anlageflächen, Beschichtung und Passungen regelmäßig prüfen. Bei Verschleiß, Beschädigung oder unzulässigem Spiel angrenzende Komponenten gemeinsam bewerten, um Anpresskraft, Drehmomentübertragung und Schaltpräzision dauerhaft sicherzustellen.

Partners of ZF Race Engineering
```







Beschreibung
Hersteller