SACHS RCS 140 kopplingskåpa
Kopplingskåpa för kompakta SACHS RCS 140 racingkopplingar
Kompakt, lätt och precis: SACHS RCS 140 kopplingskåpa är den centrala bärstrukturen i ZF Motorsports modulära Racing Clutch System och har utvecklats för högvarviga, viktoptimerade racingkopplingar med mycket kort konstruktion.
RCS 140-versionen är lämplig för krävande racingapplikationer där lågt tröghetsmoment, snabba växlingar, hög temperaturstabilitet och exakt komponentstyrning är avgörande.

Utföranden
System: SACHS RCS 140 flerskivig racingkoppling
Konfiguration: för 1-, 2-, 3- och 4-skivsversioner
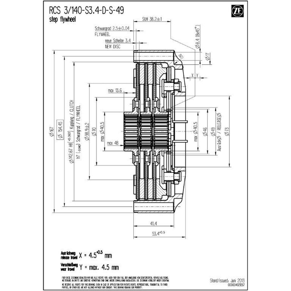
Urkopplingsdiameter: 38 mm och 49 mm
Friktionsmaterial: carbon och sintermetall
Observera: kopplingskåpan ska kombineras serie-specifikt med godkända RCS 140 tryckplattor, mellanplattor och kopplingsskivor. Valet görs efter antal skivor, urkopplingsdiameter, friktionsmaterial och användningsprofil.
Fördelar
Kompakt 140 mm konstruktion för särskilt lätta, varvvilliga racingkopplingar
Tillgänglig för 1-, 2-, 3- och 4-skivskopplingar i det modulära SACHS RCS-systemet
Urkopplingsdiametrar 38 mm och 49 mm för olika aktiveringskoncept
Utformad för sintermetall- och carbonfriktionsmaterial inom professionell motorsport
Lågt tröghetsmoment för spontan respons och snabba växlingar
Hög kåpstyvhet för exakt dosering och precis komponentstyrning
Stödjer en exakt definierad klämkraft för repeterbar momentöverföring
Motorsportspecifik geometri för effektiv värmeavledning och stabil prestanda i racingdrift




Teknik
RCS 140 kopplingskåpa
Funktion: Kopplingskåpan tar upp tryckplattan, mellanplattorna och kopplingsskivorna, styr komponenterna exakt och överför momenten inom det modulära RCS-systemet. Den höga kåpstyvheten stödjer definierad dosering, stabil komponentpositionering och repeterbara växlingar.
Uppbyggnad: Höghållfast aluminium med serie-specifik RCS 140-geometri. Den kompakta konstruktionen minskar roterande massa och tröghetsmoment och möjliggör en vridstyv, exakt styrd enhet för prestandaorienterade motorsportapplikationer.
Klämkraft: I kombination med tryckplatta, membranfjäder, mellanplattor och kopplingsskivor bidrar kopplingskåpan till en exakt definierad klämkraft. Det stödjer repeterbar momentöverföring och konstant inkopplingsbeteende i motorsportdrift.
Urkopplingssystem: RCS 140-versionen finns för urkopplingsdiametrar på 38 mm och 49 mm. Därmed kan kopplingskåpan konfigureras för respektive urtrampningslager, koncentrisk slavcylinder och aktiveringssystem.
Friktionsmaterial: SACHS RCS 140 kopplingskåpa är utformad för sintermetall- och carbonbeläggningar. Beroende på användningsprofil möjliggör kombinationen av kåpa, tryckplatta, mellanplattor och kopplingsskivor hög termisk belastningskapacitet, snabb respons och stabil momentöverföring.
Termik: Den speciella kåpgeometrin stödjer effektiv värmeavledning och stabiliserar kopplingspaketets temperaturfönster – särskilt viktigt vid korta växlingsfönster, höga varvtal och upprepad termisk belastning.
Monteringsanvisningar
Montering & svänghjul
Svänghjulskontur: Vid användning av SACHS RCS 140 racingkoppling ska svänghjulskonturen kontrolleras. Exakt bearbetning av svänghjulet är en förutsättning för kopplingens funktion, planlöpning och långvariga prestanda.
Fäste: För fastsättning av kopplingen rekommenderas M8-skruvar i hållfasthetsklass minst 10.9 med insex och brickor. Åtdragningsmomentet är 25 Nm.
Revision: Kontrollera kåpstyrningar, anliggningsytor, beläggning och passningar regelbundet. Vid slitage, skador eller otillåtet spel ska angränsande komponenter bedömas tillsammans för att säkerställa klämkraft, momentöverföring och växlingsprecision på lång sikt.

Partners till ZF Race Engineering







Beskrivning
Tillverkare