Koppelingshuis SACHS RCS 140
Koppelingshuis voor compacte SACHS RCS 140 racekoppelingen
Compact, licht en precies: het SACHS RCS 140 koppelingshuis is de centrale dragende structuur van het modulaire Racing Clutch System van ZF Motorsport en is ontwikkeld voor hoogtoerige, gewichtsgeoptimaliseerde racekoppelingen met een zeer korte bouwvorm.
De RCS 140 uitvoering is geschikt voor veeleisende race-toepassingen waarbij lage massatraagheid, snelle schakelprocessen, hoge temperatuurstabiliteit en nauwkeurige componentgeleiding doorslaggevend zijn.

Uitvoeringen
Systeem: SACHS RCS 140 meervoudige racekoppeling
Configuratie: voor 1-, 2-, 3- en 4-plaatversies
Ontkoppelingsdiameter: 38 mm en 49 mm
Frictiematerialen: carbon en sintermetaal
Let op: het koppelingshuis moet serie-specifiek worden gecombineerd met goedgekeurde RCS 140 drukplaten, tussenplaten en koppelingsplaten. Kies op basis van het aantal platen, ontkoppelingsdiameter, frictiemateriaal en inzetprofiel.
Voordelen
Compacte 140 mm bouwvorm voor bijzonder lichte, gretig toeren makende racekoppelingen
Beschikbaar voor 1-, 2-, 3- en 4-plaatkoppelingen in het modulaire SACHS RCS systeem
Ontkoppelingsdiameters van 38 mm en 49 mm voor verschillende bedieningsconcepten
Ontworpen voor sintermetaal- en carbon-frictiematerialen in de professionele autosport
Lage massatraagheid voor directe respons en snelle schakelmomenten
Hoge huisstijfheid voor exacte doseerbaarheid en nauwkeurige componentgeleiding
Ondersteunt een nauwkeurig gedefinieerde klemkracht voor herhaalbare koppeloverdracht
Motorsport-specifieke geometrie voor efficiënte warmteafvoer en stabiele prestaties in racegebruik




Techniek
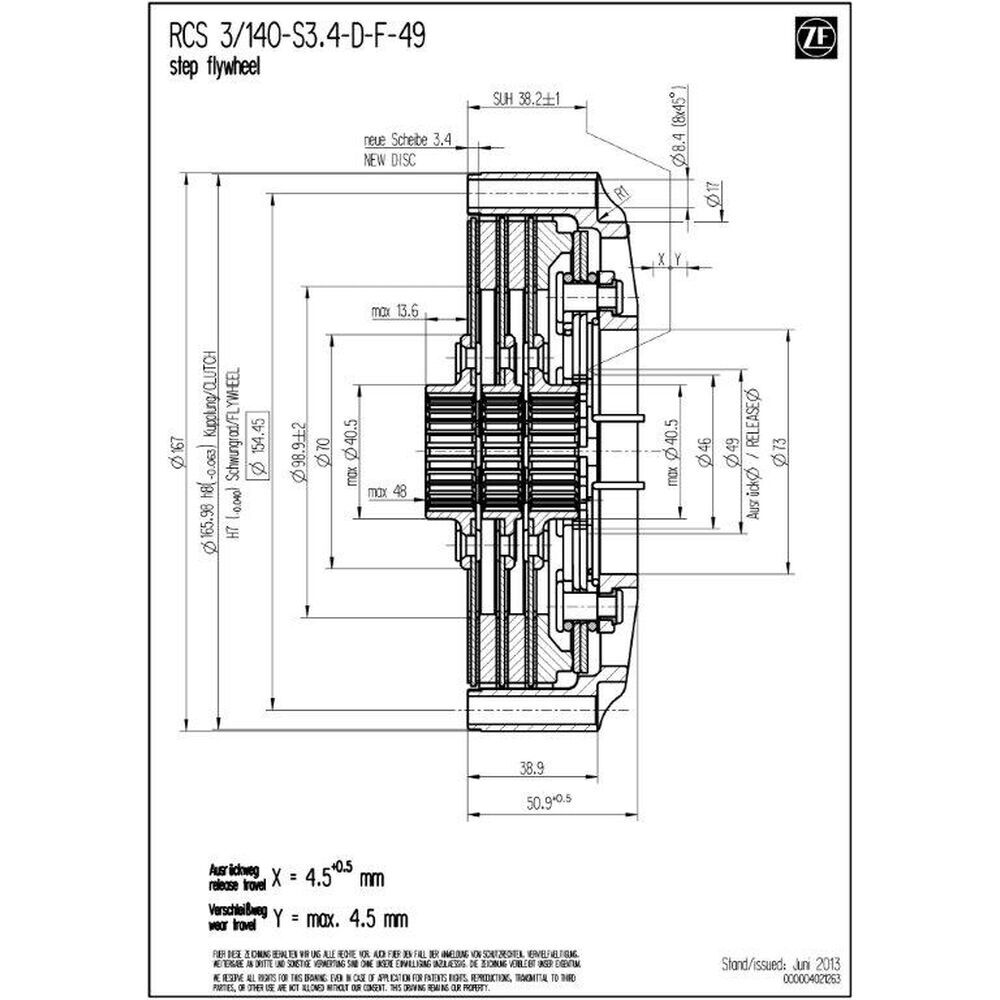
Koppelingshuis RCS 140
Functie: Het koppelingshuis neemt de drukplaat, tussenplaten en koppelingsplaten op, geleidt de componenten nauwkeurig en draagt de koppels binnen het modulaire RCS-systeem over. De hoge huisstijfheid ondersteunt een gedefinieerde doseerbaarheid, stabiele componentpositionering en reproduceerbare schakelprocessen.
Opbouw: Hoogvast aluminium met serie-specifieke RCS 140 geometrie. De compacte constructie verlaagt roterende massa en massatraagheid en maakt een torsiestijve, nauwkeurig geleide bouwgroep voor prestatiegerichte motorsporttoepassingen mogelijk.
Klemkracht: In combinatie met drukplaat, diafragmaveer, tussenplaten en koppelingsplaten draagt het koppelingshuis bij aan een nauwkeurig gedefinieerde klemkracht. Daardoor worden herhaalbare koppeloverdracht en constant aangrijpgedrag in motorsportgebruik ondersteund.
Ontkoppelingssysteem: De RCS 140 uitvoering is beschikbaar voor ontkoppelingsdiameters van 38 mm en 49 mm. Daardoor kan het koppelingshuis passend bij het betreffende druklager, de concentrische hydraulische drukgroep en het bedieningssysteem worden geconfigureerd.
Frictiematerialen: Het SACHS RCS 140 koppelingshuis is ontworpen voor sintermetaal- en carbon-voeringstypen. Afhankelijk van het inzetprofiel maakt de combinatie van huis, drukplaat, tussenplaten en koppelingsplaten hoge thermische belastbaarheid, snelle reactie en stabiele koppeloverdracht mogelijk.
Thermiek: De speciale huisgeometrie ondersteunt efficiënte warmteafvoer en stabiliseert het temperatuurvenster van het koppelingspakket – bijzonder belangrijk bij korte schakelmomenten, hoge toerentallen en herhaalde thermische belasting.
Montage-instructies
Montage & vliegwiel
Vliegwielcontour: Voor gebruik van de SACHS RCS 140 racekoppeling moet de vliegwielcontour worden gecontroleerd. Nauwkeurige bewerking van het vliegwiel is noodzakelijk voor de werking, rondloop en duurzame prestaties van de koppeling.
Bevestiging: Voor de bevestiging van de koppeling worden M8-bouten met minimaal sterkteklasse 10.9, binnenzeskant en ringen aanbevolen. Het aanhaalmoment bedraagt 25 Nm.
Revisie: Controleer huisgeleidingen, contactvlakken, coating en passingen regelmatig. Bij slijtage, beschadiging of ontoelaatbare speling moeten aangrenzende componenten gezamenlijk worden beoordeeld om klemkracht, koppeloverdracht en schakelprecisie duurzaam te waarborgen.

Partners van ZF Race Engineering







Beschrijving
Producent