Obudowa sprzęgła SACHS RCS 140 | 003072000294
Opis
Producent
Producent:
ZF Race Engineering GmbH, Ernst-Sachs-Straße 62, 97424 Schweinfurt, Deutschland, www.zf.com
Produkt

SACHS RCS 140 Clutch Housing
Features- Aluminum forged housing with special heat-resistant aluminum alloy
- Higher housing stiffness for precise clutch engagement
- Open housing structure design for optimized heat exchange
- Use with RCS central release bearing recommended
Installation Note- For the use of the Sachs RCS clutch an inspection of the flywheel contour is necessary. Precise machining of the flywheel is necessary to guarantee correct clutch function.
- For mounting the clutch, M8-screws of the property class of min. 10.9 with hexagonal socket and plain washer is recommended. The tightening torque is 25 Nm.
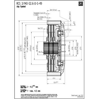
Installation Drawing (Scheme)

Partner of SRE








Polish


